某钢筋混凝土肋梁楼盖的次梁,跨度为6m,轴线间距为2.5m,次梁截面尺寸为b=200,梁板高h=600mm,板厚hˊf=80mm,梁承受的弯矩设计值M=108kN·m,混凝土的强度等级为C20(?c=9.6N/mm2,α1=1.0),钢筋为HRB335级(?y=300 N/mm2,ξb=0.550,)
求:
(1)、确定T形截面翼缘宽度bˊf 。
(2)、判断T形截面的类型。
(3)、计算下部纵筋面积As,并按计算纵筋面积As验算最小配筋率。
某挡土墙高4m,墙背垂直、光滑,墙后填土面水平,并作用有均布荷载q=22kPa,各填土层物理力学性质指标如图示,挡土墙砌体重度γ=22 kN/m3,基底摩擦系数为μ=0.5。


求:1、挡土墙墙背总侧压力E。2、总侧压力E作用位置。3、绘制侧压力分布图。4、验算挡土墙的稳定性(抗倾覆、抗滑移)。
某大型工程,由于技术难度大,对施工单位的施工设备和同类工程施工经验要求比较高,而且对工期的要求比较紧迫。业主在对有关单位和在建工程考察的基础上,邀请了甲、乙、丙3家国有一级施工企业投标,通过正规的开标评标后,择优选择了甲施工企业作为中标单位,并与其签订了工程施工承包合同,承包工作范围包括土建、机电安装和装修工程。该工程共16层,框架结构,开工日期为2004年4月1日,合同工期为18个月。在施工过程,发生如下几项事件:
事件一:2004年4月,在基础开挖过程中,个别部位实际土质与建设单位提供的地质资料不符,造成施工费用增加3.5万元,相应工序持续时间增加了6天;
事件二:2004年5月施工单位为保证施工质量,扩大基础地面,开挖量增加导致费用增加2.0万元,相应工序持续时间增加了2天;
事件三:2004年8月份,进入雨季施工,恰逢20天一遇的大雨,造成停工损失2.5万元,工期增加了4天。
事件四:2005年2月份,在主体砌筑工程中,因施工图设计有误,实际工程量增加导致费用增加4.8万元,相应工序持续时间增加了3天;
事件五:外墙装修抹灰阶段,一抹灰工在五层贴抹灰用的分格条时,脚手板滑脱发生坠落事故,坠落过程中将首层兜网系结点冲开,撞在一层脚手架小横杆上,抢救无效死亡;
事件六:室内装修单位在进行墙面涂料粉刷前,进行装饰面基层检查时,发现墙面抹灰有大面积空鼓现象。上述事件中,除事件三外,其他工作均未发生在关键线路上。针对上述事件,甲施工企业在有效其内提出如下索赔要求:(1)增加合同工期15天;(2)增加费用12.8万元。
问题:
(1)、该工程采用邀请招标方式且仅邀请三家施工单位投标,是否违反有关规定?为什么?
(2)、施工单位对施工过程中发生的事件一、事件二、事件三、事件四可否索赔?为什么?
(3)、如果在工程保修期间发生了由于施工单位原因引起的屋顶漏水、墙面剥落等问题,业主在多次催促甲施工单位修理而甲施工单位一再拖延的情况下,另请乙施工单位维修,所发生的维修费用( )。
A、由建设单位负责 B、从甲施工单位保修金中扣除
C、从乙施工单位保修金中扣除 D、从甲施工单位质量保证金中扣除
(4)、事件五中发生的安全事故可定为哪种等级的重大事故?依据是什么?
(5)、对事件六中质量事故的处理应遵循什么程序?
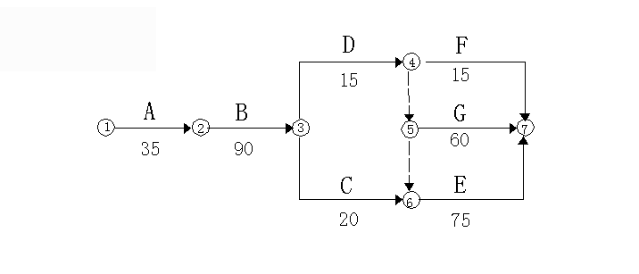
某工程项目,业主通过施工招标方式与某建筑公司签订了工程施工合同。合同工期220天。合同中约定,由于施工单位原因造成工期延误,每延误一天罚款2000元;由于业主和其他原因造成工程延期,每延误一天补偿施工单位2000元。施工单位按时提交了单位工程施工组织设计,并得到了监理工程师的批准。其中,工程施工的网络进度计划如下图所示。

该工程施工过程中发生了以下几项事件:
事件一:基础工程A施工时,由甲方负责供货的钢筋混凝土预制桩供应不及时,使基础施工延误了5天。
事件二:在主体结构B施工中,在第4层某段框架柱拆模后,出现了露筋、蜂窝等现象。
事件三:在主体结构B施工中,进行第六层楼板钢模板拆除时,将拆下的18根钢管(每根长4m)和扣件运到龙门架的吊蓝上,4名工人随吊蓝一起从第六层高处下落,此时恰好操作该机械的人员去厕所未归,一名刚刚招来两天的合同工开动了卷扬机,在卷扬机下降过程,钢丝绳突然折断,人随吊蓝坠地,造成1人死亡,3人重伤的恶性后果。
问题:
(1)、施工单位是否可以就事件一向监理工程师提出索赔要求?为什么?如果可以,索赔工期为多少?为什么?费用为多少?
(2)、从施工技术的角度分析混凝土结构产生露筋、蜂窝等现象的原因是什么?
(3)、简要分析事件三这起事故产生的原因。
(4)、事件三属于( )重大事故。
A、一级 B、 二级 C、三级 D、四级S
钢结构中,下列关于承压型高强度螺栓连接描述正确的是()。
影响砂浆强度的因素有()。
《抗震规范》提出的抗震设防目标是:小震不坏,中震可修,大震不倒。下列描述正确的是()。
预应力钢筋混凝土结构中,由于对钢筋施加了预应力,所以()。
下列墙体或部位不得留脚手眼的有()。
土的物理性质指标中,属于实验室指标的有()。
建筑工程初级职称专业考试试题1(基础
建筑工程初级职称基础理论考试试题及答
建筑初级职称考试试题1(建筑工程管理
建筑初级职称考试试题2(建筑工程管理
土建工程专业技术资格初级试题及答案1
建筑工程初级职称法律法规考试试题(1
建筑工程初级专业基础知识试题及答案(
建筑专业初级职称考试专业基础模拟试卷
2018年建筑施工专业基础与实务初级
2018年建筑施工专业基础与实务初级