74LS161为二进制加法计数器,真值表如题42表所示,试用74LS161和与非门设计一个十进制计数器。(要求利用同步置数端
)
要求:(1)写出S的二进制代码;
(2)写出反馈置数的函数表达式;
(3)完成逻辑图连线,并在各输入输出端标上连接信号。


放大电路如题40图所示,各电容足够大,对输入信号可视为短路,已知rbe=2.3K,β=100。
要求:(1)画出微变等效电路;
(2)计算电压增益
的值;
(3)计算输入电阻Ri的值;
(4)若将C3电容开路,则对电路的直流工作点有何影响?

试用3—8译码器74LS138和门电路设计一个由三个继电器控制两个灯的控制电路。继电器A、B、C都不吸合时,红灯R和绿灯G都不亮;A不吸合,B和C中只有一个吸合时,红灯R亮,绿灯G不亮;其余情况均红灯R不亮,绿灯G亮。规定继电器吸合为“1”,不吸合为“0”;灯亮为“1”,不亮为“0”。
要求:(1)列出真值表;
(2)写出逻辑表达式;
(3)完成题41图所示逻辑电路图的连线。

电路如题39图所示,求节点电压U1和U2的值。

写出下列函数的与非表达式,并用与非门画出该逻辑电路图。
F=![]()
画出题38图所示时序逻辑电路的工作波形图。(设起始状态Q2Q1Q0=000)

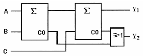
写出题36图所示电路输出信号的逻辑表达式,并说明其功能。

题36图
用卡诺图法化简下列函数,并写出最简与或表达式。
F=![]()
2421BCD编码的权分别为:2(21)、4(22)、2(21)、1(20)。请写出十进制数0—9的2421BCD码。
单相桥式整流滤波电路如题33图所示,设u2的有效值为20V。
要求:(1)说明滤波电容C的极性;
(2)如果测得直流输出电压Uo为18V,电路可能出现了什么问题?
(3)如果测得直流输出电压Uo为9V,电路可能出现了什么问题?

2018年4月电子商务全国自考(电子
2017年10月电子商务全国自考(电
2017年4月电子商务全国自考(电子
2016年10月电子商务全国自考(电
2016年4月电子商务全国自考(电子
2015年10月电子商务全国自考(电
2015年4月电子商务全国自考(电子
2014年10月电子商务全国自考(电
2014年4月电子商务全国自考(电子
2013年10月电子商务全国自考(电