注册结构工程师(二级专业考试-下午)模拟试卷10
-
假定受拉钢筋截面面积为12.32cm2,计算其配筋率为( )。
- A.0.013
- B.0.0015
- C.0.024
- D.0.01
-
混凝土受压区高度为( )cm。
- A.8.52
- B.5.94
- C.6.66
- D.6.23
-
假定截面为第Ⅰ类T形截面,混凝土受压区高度为6.56cm,计算受拉钢筋截面面积为( )cm2。
- A.10.52
- B.12.03
- C.11.24
- D.11.58
-
已知翼缘位于受压区的T形截面尺寸b'j=40cm,b=20cm,h'j=8cm,h0=46cm,采用20号混凝土,Ⅰ级钢筋,承受计算弯矩Mj=98kN·m。
纵向受拉钢筋最小配筋率(%)为( )。
- A.0.15
- B.0.2
- C.0.25
- D.0.1
-
假定选用nk=2,ak=0.785cm2,最大剪应力处腹板宽度b=25,箍筋配筋率为 0.0037,计算所得箍筋间距为( )cm。
- A.13
- B.14
- C.17
- D.18
-
经验算需配抗剪钢筋,假定距支点h/2处的计算剪力为229.5kN,最大剪应力发生处的腹板宽度6为25cm,计算得箍筋配筋率(%)为( )。
- A.0.24
- B.0.32
- C.0.13
- D.0.54
-

最大剪应力发生处的腹板宽度为( )cm。
- A.15
- B.99
- C.23
- D.16
-
距支点30cm处的计算剪力为( )kN。
- A.227.51
- B.237.27
- C.205.91
- D.251.3
-
抗震等级二级的框架梁,净跨6m,组合内力设计值为:左端弯矩Mmax=56kN·m,Mmin=-121kN·m,右端弯矩为Mmax=76kN·m,Mmin=-131kN·m;剪力Vmax=92kN;竖向荷载下VGb=66kN,计算该梁的剪力设计值Vb(kN),( )项是正确的。
- A.76
- B.92
- C.109.4
- D.105.4
-
某高层框架结构,乙类建筑,高度26m,抗震设防烈度6度,场地类别为Ⅲ类,柱的断面为600mm×700mm,混凝土强度等级为C30。已知:底层框架柱在竖向荷载作用下的轴向力设计值为4500kN;在风荷载作用下的轴向力设计值为1400kN。该柱的轴压比为 ( )项数值。
- A.0.56
- B.0.76
- C.0.71
- D.0.89
-
某高层框架结构,抗震等级为二级,考虑地震作用组合时,梁端弯矩设计值为:左端Mbl=273.1kN·m,右端Mbr=448.5kN·m,与地震作用组合时的竖向荷载作用下梁端剪力设计值VGb=128.6kN,梁的跨度ln=6m,计算框架梁的剪力设计值Vb(kN),( )项是正确的。
- A.254.88
- B.260.89
- C.272.9
- D.253.4
-
某抗震设防的高层框架,抗震等级为二级,已知顶层中节点左侧梁端的弯矩设计值Mbl=100.8kN·m,右侧梁端的弯矩设计值Mbr=-28.4kN·m,左侧梁高700mm,右侧梁高500mm,纵向钢筋合力点至截面近边的距离as=a's=35mm,H0=4500mm,下列计算所得的节点剪力设计值Vi(kN)( )项是正确的。
- A.150.26
- B.141.64
- C.120.67
- D.126.41
-
贴近已有三层框架结构的建筑一侧拟建10层框架结构的建筑,原有建筑层高为4m,新的建筑层高均为3m,两者之间须设防震缝,该地区为7度抗震设防,试选用符合规定的抗震缝最小宽度δ(mm),( )项为正确。
- A.60
- B.70
- C.80
- D.90
-
有一高100m、高宽比为2.5的高层建筑,位于大城市郊区,已知基本风压w0=0.50kN/m2,结构基本自振周期T=2.00s,通过简单计算确定,在高度80m处的风振系数βz值应为( )项数值。
- A.1.62
- B.1.44
- C.1.33
- D.1.05
-
某十六层建筑,每层面积为1000m2,在风力及地震作用下,倾覆力矩设计值为27000kN·m,已知荷载标准值:活载为1.5kN/m2,恒载为12kN/m2,平面重心距倾覆边缘的距离为x(m),以下x值中( )项为满足抗倾覆要求的最小值。
- A.1.5m
- B.1.4m
- C.1.3m
- D.1.6m
-
总高度为65m的框架—剪力墙结构,按9度抗震设防,结构总重力荷载代表值为GE=180000kN,试指出结构总竖向地震作用的标准值FEvk应为( )项数值。
- A.43200kN
- B.37440kN
- C.28080kN
- D.31820kN
-
框架结构与剪力墙结构相比,下列( )是正确的。
- A.框架结构的延性好,但抗侧力刚度小
- B.框架结构的延性差些,但抗侧力性能好
- C.框架结构的延性和抗侧力性能都比剪力墙结构好
- D.框架结构的延性和抗侧力性能都比剪力墙结构差
-
建筑高度、设防烈度、建筑重要性类别及场地类别等均相同的两个建筑,一个是框架结构,另一个是框架-剪力墙结构,这两个结构体系中的框架抗震等级( )。
- A.后者的抗震等级高
- B.必定相等
- C.前者的抗震等级高,也可能相等
- D.不能确定
-
已知作用于90m高度屋面处的风荷载标准值wk=1.55kN/m2,作用于90m高度屋面处的突出屋面小塔楼风荷载标准值△P90=600kN。假定风荷载沿高度是倒三角形分布 (地面处为0),试问,在高度z=30m处风荷载产生的倾覆力矩设计值(kN·m)与( )项数值最为接近。
- A.129388
- B.92420
- C.78988
- D.152334
-
在裹冰区建一座拉绳式微波塔,其基本裹冰厚度为15mm,拉线直径为30mm,其最高离地面100m。试问,该处单位长度上裹冰荷载(kN/m)最接近于( )项数值。
- A.0.019
- B.0.037
- C.0.027
- D.0.048
-
建筑根据其使用功能的重要性分为四类。设计乙类建筑时,( )是正确的。
- A.按本地区设防烈度提高一度计算地震作用
- B.按本地区的设防烈度提高一度计算地震作用和采取抗震措施
- C.可按本地区的设防烈度计算地震作用,提高一度采取抗震措施
- D.按本地区的设防烈度计算地震作用和采取抗震措施
-
假定地面粗糙度类别为C类,已知屋面处的风振系数β90=1.68,试问,屋面高度处的风荷载标准值wk(kN/m2)与( )项数值最为接近。
- A.1.73
- B.1.493
- C.1.271
- D.1.357
-
某大城市郊区有一28层的高层建筑,如下图所示。地面以上高度为90m,平面为一外径 26m的圆形。基本风压数值为0.50kN/m2,风荷载体型系数为0.8。

当结构基本自振周期T1=1.6s时,风荷载脉动增大系数ξ最接近于( )项数值。
- A.1.36
- B.1.521
- C.1.407
- D.1.481
-
已知B0=2427mm,h0=890mm,剪跨比λx=ax/h0=0.087;承台采用混凝土强度等级C25。试问,承台对底部角桩(桩2)形成的斜截面受剪承载力(kN)最接近于下列( )项数值。
- A.2990
- B.3460
- C.3600
- D.4140
-
已知c2=939mm,a12=467mm,H0=890mm,角桩剪跨比λ=a12/h0=0.525;承台采用混凝土强度等级C25。试问,承台受桩1冲切的承载力(kN)最接近于下列( )项数值。
- A.740
- B.810
- C.850
- D.1166
-
假定由柱传至承台的荷载效应应由永久荷载效应控制,承台自重和承台上的土重Gk=87.34kN;在标准组合偏心竖向力作用下,最大单桩(桩1)竖向力Q1k=610kN。试问,由承台形心到承台边缘(两腰)距离范围内板带的弯矩设计值M1(kN·m)最接近于下列 ( )项数值。
- A.276
- B.336
- C.374
- D.392
-
假定钢筋混凝土柱传至承台顶面处的标准组合值为竖向力Fk=1400kN,力矩Mk=160kN·m,水平力Hk=45kN;承台自重及承台上土自重标准值Gk=87.34kN。在上述一组力的作用下,试问,桩1桩顶竖向力Qk(kN),最接近于下列( )项数值。

- A.590
- B.610
- C.620
- D.640
-
有一等边三桩承台基础,采用沉管灌注桩,桩径为426mm,有效桩长为24m。有关地基各土层分布情况、桩端阻力特征值qpa、桩侧阻力特征值qsia及桩的布置、承台尺寸等如下图所示。
按《建筑地基基础设计规范》(GB 50007—2002)的规定,在初步设计时,估算该桩基础的单桩竖向承载力特征值只Ra(kN)并指出其值最接近于下列( )项数值。
- A.361
- B.645
- C.665
- D.950
-
某工程抗震设防烈度为7度,对工程场地曾进行土层剪切波速测量,测量成果如表所示。
试问,该场地应判别为下列( )项场地,才是正确的。
- A.Ⅰ类场地
- B.Ⅱ类场地
- C.Ⅲ类场地
- D.Ⅳ类场地
-
在一般建筑物场地内存在发震断裂时,试问,对于下列( )项情况,应考虑发震断裂错动对地面建筑的影响,并简述其理由。
- A.抗震设防烈度小于8度
- B.全新世以前的活动断裂
- C.抗震设防烈度为8度,前第四纪基岩隐伏断裂的土层覆盖厚度大于60m时
- D.抗震设防烈度为9度,前第四纪基岩隐伏断裂的土层覆盖厚度为80m时
-
假定采用粗砂,其重度为18kN/m3,δ=0,β=0,g=15kN/m2,Ka=0.23,试问,主动土压力Ea(kN/m)最接近于下列( )项数值。 提示:Ka=tan2(45°-φ/2)。
- A.83
- B.78
- C.72
- D.69
-
假定δ=0,已计算出墙顶面处的土压力强度e1=3.8kN/m,墙底面处的土压力强度e2=27.83kN/m,主动土压力Ea=79kN/m。试问,主动土压力Ea作用点距离挡土墙底面的高度z(m)最接近于下列( )项值。
- A.1.6
- B.1.9
- C.2.2
- D.2.5
-
对挡土墙的地基承载力验算,除应符合《建筑地基基础设计规范》(GB 5007—2002)第5.2条的规定外,基底合力的偏心距e尚应符合下列( )项数值才是正确的,并简述其理由。 提示:b为基础宽度。
- A.e≤b/2
- B.e≤b/3
- C.e≤b/3.5
- D.e≤b/4
-
条件同上题,已求得挡土墙中心与墙踵的水平距离x0=1.68m,试问,挡土墙抗倾覆稳定性安全度Kt(即稳定力矩与倾覆力矩之比)最接近于下列( )项数值。
- A.2.3
- B.2.9
- C.3.5
- D.4.1
-
假定δ=0,q=0,Ea=70kN,挡土墙每延米重209.22kN,挡土墙重心与墙踵的水平距离x0=1.68m,试问,挡土墙基础底面边缘的最大压力值pkmax(kPa)最接近于下列 ( )项数值。
- A.117
- B.126
- C.134
- D.154
-
假定挡土墙的主动土压力Ea=70kN/m,土对挡土墙基底的摩擦因数μ=0.4,δ=13°,挡土墙每延米自重209.22kN。试问,挡土墙抗滑移稳定性安全度Ks(即抵抗滑移与引起滑移的比值)最接近于下列( )项数值。
- A.1.29
- B.1.32
- C.1.45
- D.1.56
-
某毛石砌体挡土墙,其剖面尺寸如下图所示。墙背直立,排水良好。墙后填土与墙齐高,其表面倾角为β,填土表面的均布荷载为q。

假定填土采用粉质黏土,其重度为19kN/m3(干密度大于1.65t/m3),土对挡土墙墙背的摩擦角δ=0.5φ(φ为墙背填土的内摩擦角),填土的表面倾角β=10°,q=0。试问,主动土压力Ea(kN/m)最接近于下列( )项数值。
- A.60
- B.62
- C.70
- D.74
-
已知轴心拉力设计值N=82kN,木材为红皮云杉,孔洞尺寸如下图,该构件的轴心受拉承载力计算的计算式与下列( )项表达式最为接近。

- A.σt=7.8N/mm2<ft=8.0N/mm2
- B.σt=6.5N/mm2<ft=8.0N/mm2
- C.σt=7.8N/mm2<ft=9.5N/mm2
- D.σt=6.5N/mm2<ft=9.5N/mm2
-
屋架下弦截面为120mm×200mm,木料为马尾松,下弦接头处N=90kN,屋架下弦用双剪连接。螺栓连接承载力的计算系数Kv=6.1,若螺栓采用Φ20的螺栓,试问接头处接头所需的最少螺栓数目为( )。

- A.3
- B.5
- C.4
- D.6
-
砌体结构中,墙体的高厚比验算与下列( )项无关。
- A.稳定性
- B.承载力大小
- C.开洞及洞口大小
- D.是否承重墙
-
试分析下列说法中( )项不正确,并简述其理由。
- A.砌体的抗压强度设计值以龄期为28d毛截面面积计算
- B.石材的强度等级应以边长150mm的立方体试块抗压强度表示
- C.一般情况下,提高砖的强度等级比提高砂浆强度等级对增大砌体抗压强度的效果好
- D.在长期荷载作用下,砌体强度还有所降低
-
某配筋砌块砌体剪力墙结构,如下图所示,抗震等级为二级,墙厚均为190mm。设计人采用了如下三种措施: Ⅰ.剪力墙底部加强区高度取7.95m Ⅱ.剪力墙水平分布筋为2Φ8@400 Ⅲ.剪力墙的竖向分布筋为2Φ12@600 试判断下列( )组措施符合规范要求?

- A.Ⅰ、Ⅱ
- B.Ⅱ,Ⅲ
- C.Ⅰ、Ⅲ
- D.Ⅰ、Ⅱ、Ⅲ
-
某多层仓库,无吊车,墙厚均240mm,采用MU10级烧结普通砖、M7.5级混合砂浆砌筑,底层层高为4.5m。

- A.5.3
- B.5.8
- C.6.3
- D.外墙的高度不受高厚比的限制
-

- A.1
- B.2
- C.4
- D.6
-
假定梁下设置通长的现浇钢筋混凝图圈梁,如剖面B-B所示;圈梁截面尺寸为 240mm×180mm,混凝土强度等级为C20。试问,梁下(圈梁底)砌体的局部受压承载力 (kN)与下列( )项数值最为接近。
- A.192
- B.207
- C.223
- D.246
-
某网状配筋砖砌体受压构件如下图所示,截面370mm×800mm,轴向力的偏心距e=0.1h(h为墙厚),构件高厚比<16。采用MU10级烧结普通砖,M10级水泥砂浆砌筑,砌体施工质量控制等级B级;钢筋网竖向间距sn=325mm,采用冷拔低碳钢丝Φ4b制作,其抗拉强度设计值fy=430MPa,水平间距@60×60。试问,该配筋砖砌体构件受压承载力(kN)应与下列( )项数值最为接近。

- A.600φn
- B.650φn
- C.700φn
- D.750φn
-
某砖砌体和钢筋混凝土构造柱组合内纵墙,如下图所示,构造柱截面均为 240mm×240mm,混凝土强度等级为C20,ft=1.1MPa,采用HPB235级钢筋,fy=210MPa,配纵向钢筋4Φ14。砌体沿阶梯形截面破坏的抗震抗剪强度设计值fVE=0.255MPa,A= 1017600mm2。试问,砖墙和构造柱组合墙的截面抗震承载力V(kN)应与下列( )项数值最为接近。 提示:取γRE=0.85。

- A.330
- B.337
- C.359
- D.366
-
某砌体结构的多层房屋(刚性方案),如下图所示。试问,外墙在二层顶处由风荷载引起的负弯矩标准值(kN·m)应与下列( )项数值最为接近。 提示:按每米墙宽计算。

- A.-0.3
- B.-0.4
- C.-0.5
- D.-0.6
-
某房屋顶层,采用MU10级普通烧结砖、M5级混合砂浆砌筑,砌体施工质量控制等级为B级:钢筋混凝土梁(200mm×500mm)支撑在墙顶,详见下图。
提示:不考虑粱底面以上高度的墙体重量。

当梁下不设置梁垫时(见剖面A-A),试问,梁端支撑处砌体的局部受压承载力 (kN)与下列( )项数值最为接近。
- A.66
- B.77
- C.88
- D.99
-
某烧结普通砖砌体结构,因特殊需要需设计有地下室,如下图所示,房屋的长度为L,宽度为B,抗浮设计水位为-1.0m,基础底面标高为-4.0m,算至基础底面的全部恒荷载标准值为g=50kN/m2,全部活荷载标准值为p=10kN/m2,结构重要性系数γ0=0.9。

在抗漂浮验算中,漂浮荷载效应值γ0S1与抗漂浮荷载效应S2之比,应与下列 ( )项数值最为接近。 提示:砌体结构按刚体计算,水浮力按活荷载计算。
- A.γ0S1/S2=0.85>0.8;不满足漂浮验算
- B.γ0S1/S2=0.75<0.8;满足漂浮验算
- C.γ0S1/S2=0.70<0.8;满足漂浮验算
- D.γ0S1/S2=0.65<0.8;满足漂浮验算
-
二层某外墙立面如下图所示,墙厚370mm,窗洞宽1.0m,高1.5m,窗台高于楼面0.9m,砌体的弹性模量为E(MPa)。试问,该外墙层间等效侧向刚度(N/mm),应与下列 ( )项数值最为接近。 提示:①墙体剪应变分布不均匀影响系数ζ=1.2 ②取G=0.4E

- A.235E
- B.285E
- C.345E
- D.395E
-
双轴对称工字形截面简支梁,跨中有集中荷载作用于腹板平面内,作用点位于 ( )时整体稳定性最好。
- A.形心
- B.下翼缘
- C.上翼缘
- D.形心与上翼缘
-
某屋面檩条跨度6m,中间设一道拉条作为侧向支承点,作用于檩条的弯矩设计值Mx=45.0kN·m,Mr=0.9kN·m,檩条采用I22a,Wx=309.0cm3,Wy=40.9cm3,Q235-B·F中钢(3号钢),其整体稳定性应力是( )。
- A.149.8N/mm2
- B.164.9N/mm2
- C.181.2N/mm2
- D.208.2N/mm2
-
配置加劲肋是提高梁腹板局部失稳的有效措施,当
时,( )。- A.可能发生剪切失稳,应配置横向加劲肋
- B.可能发生弯曲失稳,应配置纵向加劲肋
- C.剪切失稳与弯曲失稳均可能发生,应同时配置纵向加劲肋与横向加劲肋
- D.不致失稳,不必配置加劲肋
-
假定人字形腹杆与节点板的连接改用8.8级的承压型高强度螺栓,其接触面为喷砂后涂无机富锌漆。应选用( )项公称直径的螺栓。
- A.M20
- B.M16
- C.M22
- D.M24
-
与节点板单面连接的等边角钢轴心受压构件,安装时高空焊接,计算连接时,焊缝强度设计值的折减系数是( )。
- A.0.585
- B.0.63
- C.0.675
- D.0.765
-
设有一横截面为四边形的格构式自立式铁架,其底节间的人字形腹杆系由两个等边角钢80×7组成的T形截面,如下图所示。钢材为Q235-B·F,其斜撑所受的轴心力设计值N=±150kN。

拟采用2个C级普通螺栓与板厚为12mm的节点板相连。应选用( )项公称直径的螺栓。
- A.M16
- B.M20
- C.M22
- D.M24
-
当对柱AB进行平面外稳定性验算时,其最大正应力应与 ( )项数值相近。 提示:在验算中所用到的φb,可用规范中所给出的近似公式。
- A.170.7N/mm2
- B.181.2N/mm2
- C.192.8N/mm2
- D.204.3N/mm2
-
假定人字形腹杆与节点板的连接改用8.8级的摩擦型高强度螺栓,其接触面为喷砂后涂无机富锌漆。应选用( )项公称直径的螺栓。
- A.M16
- B.M20
- C.M22
- D.M24
-
假定横梁在月点处的做法如图所示,当对柱AB进行强度验算时(截面无孔洞削弱),其最大正应力与( )项数值相近。

- A.177.3N/mm2
- B.190.4N/mm2
- C.204.6 N/mm2
- D.213.5N/mm2
-
柱AB在刚架平面内的计算长度,与( )项数值接近。
- A.4.20m
- B.3.50m
- C.3.05m
- D.2.45m
-
假定横梁在B点处采用托板支座与柱连接(托板刨平顶紧),梁的支座端板用C级普通螺栓(3号钢)与局部加厚的柱翼缘板相连,其螺栓布置如下图所示。应选用 ( )项公称直径的螺栓方为正确。 提示:连接处的弯矩设计值近似取B点的弯矩值,并假定中和轴在底排螺栓线上。

- A.M20
- B.M22
- C.M24
- D.M27
-
假定横梁在月点处仍采用托板支座与柱连接(托板刨平顶紧),但梁的支座端板改用8.8级的高强度螺栓与局部加厚的柱翼缘板相连,其螺栓布置仍如上题图所示,应选用( )项公称直径的螺栓方为正确。
- A.M20
- B.M24
- C.M22
- D.M27
-
根据业主要求需要在一混凝土厂房内用「形钢制刚架搭建一个不直接承受动力荷载的工作平台。横梁上承受均布荷载q=45kN/m(设计值),柱顶有一集中荷载P=93kN (设计值)。钢材为Q235-B·F。刚架横粱的一端与混凝土柱铰接(刚架可不考虑侧移):其结构的计算简图、粱柱的截面特性以及弯矩计算结果如图所示。
提示:柱间有垂直支撑,A、B点可作为AB柱的侧向支承点。
柱:A=8208mm2 梁:A=9440mm2
lx=13850×104mm4 lx=34610×104mm4
Wx=923×103mm3 Wx=1525×103mm3
ix=130mm ix=192mm
ly=3130×104mm4 sx=848×103mm3
iy=67.7mm
当对横梁进行强度验算时,如其中的轴心力略去不计,BC段内的最大弯曲应力与 ( )项数值相近。
- A.166.5N/mm2
- B.174.3N/mm2
- C.183.0N/mm2
- D.196.3N/mm2
-
当对横梁进行强度验算时,B点截面的最大剪力与( )项数值接近。
- A.61.7N/mm2
- B.55.1N/mm2
- C.48.5N/mm2
- D.68.3N/mm2
-
关于钢筋混凝土构件的强度计算,下列( )项所述正确。
- A.T形截面抗剪计算时,应考虑翼缘部分混凝土的作用
- B.预应力梁的抗剪计算,应考虑轴向预应力的有利影响
- C.集中力作用下的矩形,T形和I形梁,在斜截面抗剪计算时,均应考虑剪跨比
- D.在偏心受压构件斜截面抗剪计算时,当剪力一定时,轴向力越大,所需箍筋就越多
-
某顶层的钢筋混凝土框架梁,混凝土等级为C30,截面为矩形,宽度b=300mm,端节点处梁的上部钢筋为3Φ25。中间节点处柱的纵向钢筋为4Φ25,钢筋等级为HRB400,as=40mm,则梁截面的最小高度与下列( )项数值最为接近。
- A.485mm
- B.392mm
- C.425mm
- D.453mm
-
控制混凝土构件因碳化引起的沿钢筋走向的裂缝的最有效的措施是( )。
- A.提高混凝土强度等级
- B.减小钢筋直径
- C.增加钢筋截面面积
- D.选用足够的钢筋保护层厚度
-
偏心受拉构件的截面尺寸为b×h=300mm×450mm,as=a's=40mm,承受轴心拉力设计N=750kN,弯矩设计值M=80kN·m,混凝土强度等级为C30,纵筋采用HRB335钢筋。远离轴向拉力作用点一侧的纵向钢筋的计算面积A's,最接近下列( )项数值。
- A.683mm2
- B.602mm2
- C.771mm2
- D.529mm2
-
已知某钢筋混凝土框架柱,截面尺寸b×h=300mm×400mm,柱净高H0=3m,混凝土强度等级为C30,纵向钢筋为HRB335,箍筋为HPB235,柱顶作用有轴心力N=712kN,弯矩设计值M=352.50kN·m,剪力设计值1V=170 kN,as=40mm,则截面箍筋总面积与间距的比值
与下列( )项数值最为接近。- A.0.75
- B.0.88
- C.0.62
- D.0.7
-
已知考虑地震作用组合,且经调整后的底层内柱上下端弯矩设计值分别为Mt=450kN·m,Mb=280kN·m,剪切面满足规范的规定,剪跨比λ=3,轴力设计值为N=1300kN,则柱内箍筋的
的计算值与下列( )项数值最为接近。- A.0.358mm
- B.0.526mm
- C.1.151mm
- D.0.425mm
-
若截面的有效高度h0=810mm,则纵向受拉钢筋的截面面积与下列( )项数值最为接近。
- A.1354mm2
- B.1400mm2
- C.1300mm2
- D.1500mm2
-
已知支承屋面粱的柱牛腿,如下图所示,宽度b=400mm,屋架在牛腿上的支承长度为200mm,竖向力作用点到下柱边缘的水平距离a=300mm(已考虑安装偏差20mm),外边缘高h1=h/3(h为牛腿高度),牛腿底面倾斜角α=45°。作用在牛腿顶部按荷载效应标准组合计算的竖向力Fvk=420kN,竖向力的设计值Fv=540kN,同时作用在牛腿顶部按荷载效应标准组合计算的水平拉力Fhk=110kN,水平拉力的设计值Fh=154kN,混凝土强度等级采用C25,钢筋HRB335,as=40mm。

根据牛腿的裂缝控制要求,牛腿的高度与下列( )项数值最为接近。
- A.680mm
- B.750mm
- C.800mm
- D.700mm
-
已知底层柱的下端截面考虑地震作用组合后的弯矩设计值为M=300kN·m,轴力设计值为N=1200kN,计算长度为6m,则对该柱进行正截面承载力计算时得到的偏心距增大系数η与下列( )项数值最为接近。
- A.1.09
- B.1.18
- C.1.14
- D.1.23
-
如下图所示,二层中柱节点处考虑地震作用参与组合后的梁端、柱端弯矩设计值见下表:

已知柱顶处的轴压比大于0.15,柱顶Ⅱ-Ⅱ截面和Ⅲ-Ⅲ截面考虑地震作用组合,经调整后的最大弯矩设计值与下列( )项数值最为接近。
- A.300.2kN·m,311.8kN·m
- B.250kN·m,260kN·m
- C.311.8kN·m,300.2kN·m
- D.330.5kN·m,300.2kN·m
-
某多层钢筋混凝土现浇框架,抗震等级为二级,楼盖采用装配式楼盖。柱截面尺寸为 b×h=500mm×500mm,粱高为600mm,混凝土强度等级为C30,纵向钢筋为HRB335,箍筋为HPB235,as=a's=40mm。
若已知室内地坪至基础顶面高度为1.5m,首层层高为3.9m,则底层内柱的长细比最接近下列( )项数值。
- A.46.9
- B.58.5
- C.34.3
- D.42.5
-
C列柱的上柱和下柱在无吊车和有吊车作用时的排架平面内的计算长度值(m),与下列( )项数值最为接近。
- A.上柱:无吊l0=10.5 有吊l0=10.5 下柱:无吊l0=20.4 有吊l0= 9.0
- B.上柱:无吊l0=8.4 有吊l0=8.4 下柱:无吊l0=17.0 有吊l0=9.4
- C.上柱:无吊l0=4.2 有吊l0=4.2 下柱:无吊l0=9.0 有吊l0=9.0
- D.上柱:无吊l0=8.4 有吊l0=8.4 下柱:无吊l0=11.25 有吊l0=11.25
-
在厂房高跨内A5级工作制双钩吊车的大车轮距为4.4m(每侧两轮),两台吊车间的最小轮距为1.1m。设定最大轮压pmax=152kN(标准值),轮压的分项系数为1.4。简支吊车梁的跨度为6m。两台吊车传给柱子牛腿的最大压力(设计值)与下列( )项数值最为接近。
- A.585.20kN
- B.415.60kN
- C.769.10kN
- D.549.36kN
-
在如下图所示的静荷载(标准值)作用下,用力法求解出排架横梁内力为:低跨 x1=0.34kN,高跨x2=1.40kN。静荷载(标准值)作用下排架计算简图如下图所示。
- A.MG上=0.66kN·m,MG下=4.34kN·m,MN=-8.82kN·m
- B.MG上=-0.66kN·m,MG下=-4.34kN·m,MN=8.82kN·m
- C.MG上=-5.88kN·m,MG下=2.18kN·m,MN=-15.34kN·m
- D.MG上=-5.88kN·m,MG下=-5.88kN·m,MN=-19.04kN·m
-
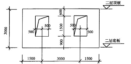
有一工业厂房高低跨排架,低跨跨度15m,高跨跨度为24m,柱间距为6m,该厂房采用预应力钢筋混凝土屋架,屋面采用预应力大型屋面板。车间的纵向全长度为120m,在车间中部60m处设有双柱温度伸缩缝,车间四周的围护墙为240m砖墙。建筑平面及剖面如下图:

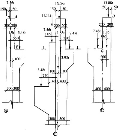
厂房各列柱静荷载(标准值)作用见下图。图中t为旧规范的荷载单位,计算时应换成新规范的kN。试确定作用于中柱Ⅰ-Ⅰ截面处的N和M值(标准值)与下列 ( )项数值最为接近。 提示:1.产生顺时针弯矩为正值,反之为负值。 2.B列柱竖向荷载11.11t和7.56t作用于同一垂直线上。

- A.N=410.80kN,M=-16.88kN·m
- B.N=410.80kN,M=16.88kN·m
- C.N=317.50kN,M=-21.47kN·m
- D.M=410.80kN,M=-30.75kN·m















时,( )。


与下列( )项数值最为接近。
的计算值与下列( )项数值最为接近。


