2012年一二级注册结构工程师专业考试下午模拟试题(5)
-
假设外围框架结构的部分柱在底层不连续,形成带转换层的结构,且该建筑的结构计算模型底部的嵌固端在±0.000处。试问,剪力墙底部需加强部位的高度(m),与下列何项数值最为接近?
(
- A)5.2 (
- B)10 (
- C)11 (
- D)13
-
假定风荷载沿高度呈倒三角形分布,地面处为零,屋顶处风荷载设计值q=134.7kN/m,如图5-25所示,地下室混凝土剪变模量与折算受剪截面面积乘积GOA0=19.76×106kN,地上1层G1A1=17.17×106kN。试问,风荷载在该建筑结构计算模型的嵌固端产生的倾覆力矩设计值(kN·m),与下列何项数值最为接近?

提示:侧向刚度比可近似按楼层等效剪切刚度比计算。
(A)260779
(B)347706
(C)368449
(D)389708
-
试问,按承载能力设计时,屋面处脉动影响系数,与下列何项数值最为接近?
(
- A)0.4702 (
- B)0.4772 (
- C)0.4807 (
- D)0.4824
-
根据以下资料,回答76~80题。
有密集建筑群的城市市区中的某房屋,丙类建筑,地上28层,地下1层,为一般框架-核心筒钢筋混凝土高层建筑,抗震设防烈度为7度,该建筑质量沿高度比较均匀,平面为切角三角形,如图5-23所示。设计使用年限为50年。

假设基本风压,当重现期为10年时,ω0=0。40kN/m2,当为50年时,ω0=0·55kN/m2,当为100年时,ω0=0.65kN/m2,结构基本周期T=2.9s,试问,按承载能力设计时,确定该建筑脉动增大系数,与下列何项数值最为接近?
(A)1.58
(B)1.60
(C)1.67
(D)1.70
-
风荷载作用方向如图5-23所示,竖向荷载qk呈倒三角形分布,如图5-24所示,


提示:按《建筑结构荷载规范》确定风荷载体型系数。
(A)86.8
(B)42.2
(C)57.2
(D)52.8
-
根据以下资料,回答74~75题。
一粗皮落叶松(TC17)制作的轴心受压杆件,截面b×h=100mm×100mm,其计算长度为3000mm,杆问中部有一个30mm×100mm矩形通孔,如图7-19所示。该受压杆件处于露天环境,安全等级为三级,设计使用年限为25年。

试问,当按强度验算时,该杆件的承载力设计值(kN),与下列何项数值最为接近?
(A)105
(B)125
(C)145
(D)165
-
已知杆件全截面回转半径i=28.87mm,按稳定验算时,试问,该杆件的承载力设计值(kN),与下列何项数值最接近?
(
- A)42 (
- B)38 (
- C)34 (
- D)26
-
某10层钢筋混凝土框架结构房屋,无库房,属于规则结构,结构总高40m,抗震设防烈度为9度,设计基本地震加速度为0.409,设计地震分组为第一组,Ⅱ类场地,其结构平面和剖面如图10—19所示,已知每层楼面的永久荷载标准值为12500kN,每层楼面的活荷载标准值为2100kN;屋面的永久荷载标准值为13050kN,屋面的活荷载标准值为2000kN。考虑填充墙后,该结构基本自振周期T,=1.0s。试问,进行多遇地震计算时,由竖向地震作用所产生的该结构底层中柱A的轴向力标准值(kN),与下列何项数值最为接近?
(A)1053
(B)702
(C)707
(D)1061

-
假定桩的桩身弹性压缩量为10mm,该单桩基础最终沉降量s(mm),与下列何项数值最为接近?
提示:沉降计算经验系数ψ=1.0。
(
- A)30 (
- B)40 (
- C)50 (
- D)60
-
在淤泥质土软弱下卧层顶面处,经深度修正后,其地基承载力特征值f
- az
- b>(kPa),与下列何项数值最为接近? (A)124 (B)126 (
- C)136 (
- D)141
-
当Fk=905kN,Mk=Vk=0,试问,软弱下卧层顶面处的附加压力标准值PZ与自重压力标准值PCZ之和PZ+PCZ(kP
- a),与下列何项数值最为接近? (A)123&n
- bsp; (B)128 (
- C)133 (
- D)136
-
根据下列材料,请回答71~72题:
某桩下单桩独立基础采用混凝土灌注桩,桩径800mm,桩长20m。在荷载效应准永久组合作用下,作用在桩顶的附加荷载Q=6000kF,桩身混凝土弹性模量EC=3.15×104N/mm2。在该桩桩端以下的附加应力(假定按分段线性分布)及土层压缩模量如图16—16所示,不考虑承台分担荷载作用。

提示:按《建筑桩基技术规范》(JGJ94--2008)作答。
假定ξe=o.60,该桩桩身弹性压缩量(mm),与下列何项数值最为接近?
(A)12
(B)10
(C)8
(D)5
-
当FK=902kN,MK=180kN·m,VK=51kN时,其基础底面处的最大压力标准值Pkm
- ax
- b>(kPa),与下列何项数值最为接近? (A)210 (B)247 (
- C)255 (
- D)321
-
当Fk=605kN,Mk=250kN·m,Vk=102kN时,其基础底面处的最大压力标准值是Pkm
- ax
- b>(kPa),与下列何项数值最为接近? (A)300 (B)318 (
- C)321 (
- D)337
-
根据以下资料,回答66~70题。
某柱下钢筋混凝土独立锥形基础,基础底面尺寸为2.0m×2.5m。持力层为粉土,其下为淤泥质土软弱层。由柱底传来竖向力为F,力矩为M和水平剪力为V,如图1-12所示。计算基础自重和基础上的土重标准值的平均重度γG=20kN/m3。

试问,基底粉土持力层的承载力特征值fa(kPa),与下列何项数值最为接近?
(A)253
(B)258
(C)249
(D)267
-
该首层中柱柱宽范围外的核心区受剪承载力设计值(kN),与下列何项数值最为接近?
(
- A)515 (
- B)535 (
- C)555 (
- D)566
-
该首层中柱柱宽范围内的核心区受剪承载力设计值(kN),与下列何项数值最为接近?
(
- A)990.0 (
- B)1060.0 (
- C)1210.0 (
- D)1320.0
-
公路桥涵设计时,采用的汽车荷载由车道荷载和车辆荷载组成,分别用于计算不同的桥梁构件。现需进行以下几种桥梁构件计算:①主梁整体计算;②主梁桥面板计算;③涵洞计算;④桥台计算。试判定这四种构件应采用下列何项汽车荷载模式,才符合《公路桥梁设计通用规范》(JTG D60~2004)的要求?
(
- A)①、③采用车道荷载,②、④采用车辆荷载&n
- bsp; (B)①、②采用车道荷载,③、④采用车辆荷载 (
- C)①采用车道荷载,②、③、④采用车辆荷载 (
- D)①、②、③、④均采用车道荷载
-
根据以下资料,回答63~65题。
某10层钢筋混凝土框架结构,抗震等级为二级,梁、柱混凝土强度等级首层为C35,首层柱截面尺寸为500mm×500mm,梁截面尺寸为b×h=800mm×300mm,梁的跨度均为6.0m。首层层高为4.0m。已知首层中柱两侧梁的最不利弯矩组合之和为290kN·m。该柱的两侧梁上部纵向钢筋在柱宽范围内、外的截面面积比例为2:1,该柱轴压力设计值为2419.2kN,节点核心区箍筋用HPB300级钢筋(Fyv=270N/mm2),实配6φ8@100。
- aS=a′S=60mm。柱的计算高度HC=4.0m。 提示:按《建筑抗震设计规范》(G
- B 50011-2010)作答。 该首层中柱柱内、柱外核心区的组合剪力设计值Vj-1(kN)、Vj-2(kN),与下列何组数值最为接近? (A)887.2;504.3 (B)1379.5;689.8 (
- C)916.1;512.1 (
- D)1226.2;613.1
-
条件同上题,试问,1号梁跨中截面由汽车荷载产生的剪力标准值(kN),与下列何项数值最为接近?
(
- A)114 (
- B)131 (
- C)141 (
- D)152
-
条件同上题,试问,1号梁距支点1/4处截面由汽车荷载产生的弯矩标准值(kN·m),与下列何项数值最为接近?
(
- A)815 (
- B)845 (
- C)860 (
- D)885
-
假定1号梁的汽车荷载跨中横向分布系数为Mcq=0.560,支座处横向分布系数为Moq=0.410。试问,1号梁跨中截面由汽车荷载产生的弯矩标准值(kN·m),与下列何项数值最为接近?
(
- A)1125 (
- B)1175 (
- C)1215 (
- D)1250
-
根据以下资料,回答57~61题。
某公路桥梁,标准跨径为20m,计算跨径为19.5m,由双车道和人行道组成。桥面宽度为0.25m(栏杆)+1.5m(人行道)+7.0m(车行道)+1.5m(人行道)0.25m(栏杆)=10.5m,桥梁结构由梁高1.5m的5根T形主梁和横隔梁组成,C30混凝土。设计荷载:公路-I级汽车荷载,人群荷载为3.0kN/m2,汽车荷载冲击系数μ=0.210。桥梁结构的布置如图3-23所示。
提示:按《公路桥涵设计通用规范》
(JTGD60-2004)计算。

1号主梁按刚性横梁法(或偏心受压法)计算其汽车荷载横向分布系数Mcq,与下列何项数值最为接近?
(A)0.51
(B)0.55
(C)0.61
(D)0.65
-
1号主梁按刚性横梁法计算其人群荷载横向分布系数Mcr,与下列何项数值最为接近?
(
- A)0.565 (
- B)0.625 (
- C)0.715 (
- D)0.765
-
首层型钢混凝土框架柱C。截面为800mm×800mm,柱内钢骨为十字形,如图 13—25所示,图中构造钢筋于每层遇钢框架梁时截断。试问,满足《高层建筑混凝土结构技术规程》(JGJ 3—2010)最低要求的C1柱内十字形钢骨截面面积(mm2)和纵向配筋,与下列何项数值最为接近?

-
某型钢混凝土框架—钢筋混凝土核心筒结构,房屋高度91m,首层层高 4.6m。该建筑为丙类建筑,抗震设防烈度为8度,Ⅱ类建筑场地。各构件混凝土强度等级为C50。纵向钢筋均采用HRB 400级钢筋。
首层核心筒外墙的某一字形墙肢w1,,位于两个高度为3800mm的墙洞之间,墙厚bw=450mm,如图13—24所示,抗震等级为一级。根据已知条件,试问,满足《高层 建筑混凝土结构技术规程》(JGJ 3—2010)最低构造要求的w,墙肢截面高度hw(mm)和该墙肢的全部纵向钢筋截面面积
- AS(mm2),与下列何项数值最为接近? (A)1000,3732&n
- bsp; (B)1000,5597 (
- C)1200,5420 (
- D)1200,6857
-
某高速公路上的一座跨越非通航河道的桥梁,洪水期有大漂浮物通过。该桥的计算水位为2.5m(高程),支座高度为0.20m,试问,该桥的梁底最小高程(m),应为下列何项数值?
(
- A)4.0 (
- B)3.4 (
- C)3.2 (
- D)3.0
-
假定该结构某连梁净跨=ιn2200mm,其截面及配筋如图6-18所示。试问,下列关于梁每侧腰筋的配置,何项最接近且满足相关规范、规程的最低构造要求?
(A)4φ12
(B)5φ12
(C)4φ10
(D)5φ10

-
根据以下资料,回答52~53题。
某高层现浇钢筋混凝土框架-剪力墙结构,框架及剪力墙抗震等级均为二级;采用C40混凝土,梁中主筋采用HRB400级,腰筋及箍筋均采用HPB300级钢筋(fyv=270N/mm2)。取aS=a′S=30mm。
该结构中的某连梁净跨ιn=3500mm,其截面及配筋如图6-17所示。试问,下列梁跨中非加密区箍筋的配置中,何项最满足相关规范、规程中的最低构造要求?
(A)φ8@75
(B)φ8@100
(C)φ8@150
(D)φ8@200

-
试问,主梁在荷载长期效应组合下的最大裂缝宽度Wfk (mm),与下列何项数值最为接近?
(
- A)0.143 (
- B)0.154 (
- C)0.162 (
- D)0.178
-
根据以下资料,回答50~51题。
某公路装配式钢筋混凝土简支梁桥,标准跨径为20m,梁桥由5片T形主梁组成,每根主梁的梁肋宽度b=180mm,梁宽为1300mm。纵向钢筋采用HRB335

提示:按《公路钢筋混凝土及预应力混凝土桥涵设计规范》(JTGD62 2004)解答。
试问,主梁在荷载短期效应组合下的最大裂缝宽度Wfk(mm),与下列何项数值最为接近?
(A)0.106
(B)0.121
(C)0.114
(D)0.132
-
若第7层剪力墙某墙肢截面尺寸bw×hw=350m×6000mm,采用C50混凝土,竖向和水平向分布钢筋采用HRtB335级,若此墙肢斜截面受剪承载力计算为构造配筋,试问,其水平向分布钢筋的配置,应为下列何项数值时满足规范、规程要求,且较为经济合理?

-
若第24层某剪力墙墙肢截面尺寸bw×hw=250mm×6000mm,采用C30混凝土,

(A)1800
(B)1930
(C)2300
(D)2500
-
若第五层剪力墙某墙肢截面尺寸bw×hw=350mm×4800mm,采用C50混凝土fC=23.1N/mm2),纵向受力钢筋采用HRB400级,箍筋用HRB335级。经计算知,其轴压比为0.40,其按构造配筋。试问,其边缘构件箍筋的体积配箍率和纵向钢筋截面面积(mm2),应为下列何项数值?
(
- A)1.71%;1200 (
- B)1.68%;1800 (
- C)1.54%;2020 (
- D)1.54%;1700
-
根据下列材料,请回答45~49题:
某部分框支剪力墙结构高层建筑房屋,丙类建筑,抗震设防烈度为8度,设计基本地震加速度为0.2g,场地I1类。该建筑为地下2层,地上26层,首层、第二层层高均为4.5m,其他各层层高为3.6m,落地剪力墙直通到结构顶层,如图16-21所示,地下2层未示出。

首层框支柱截面尺寸b×h=1200mm×1200mm,采用C55混凝土,纵向受力钢筋采用HRB400级,箍筋采用HRB335级复合箍,柱考虑地震作用效应组合的轴压力设计值N=21859.2kN,若该柱斜截面受剪承载力计算为构造配筋,试问,其加密区箍筋的最小体积配筋率(%),与下列何项数值最为接近?
(A)1.52
(B)1.60
(C)1.65
(D)1.69
-
若落地剪力墙第三层某一墙肢为矩形截面,bw×hw=400mm×6000mm,采用C55(fC=25.3N/mm2)混凝土,纵向受力钢筋用HRB400级,箍筋用HRB335级,若该墙肢轴压比为0.45,其正截面承载力计算为构造配筋,试问,其边缘构件纵向钢筋配筋,应为下列何项数值时,才满足相关规范、规程要求,且较为经济合理?

-
某公路高架桥,主桥为三跨变截面连续钢一混凝土组合梁,跨径布置为50m+75m+50m,两端引桥各为5孔40m的预应力混凝土T形梁,高架桥总长575m,试问,其工程规模应属于下列何项?
(
- A)特大桥 (
- B)大桥 (
- C)中桥 (
- D)小桥
-

点处通过的下部受拉主钢筋,应至少为下列何项数值时,才能满足规范要求?

-
地震作用下验算时,该地基基底最大压力设计值pm
- ax(kPa),不应大于下列何项数值? (A)305.8 (
- B)315.1 (
- C)369.2 (
- D)414.3
-
根据下列材料,请回答41~42题:
某多层现浇钢筋混凝土框架结构房屋,9度抗震设防烈度,抗震等级一级。框架梁截面尺寸b×h=250mm×600mm,C30混凝土,纵向受力钢筋用HRB400级、经计算,由重力荷载代表值与地震作用产生的组合内力设计值为:M:=380kN·m(J), Mi=160kN·m(J)。考虑地震作用组合时,由重力荷载代表值产生的梁端剪力标准值Ⅵ南K=112.7kN。取
- a=35mm。 试问,该框架梁梁端剪力设计值V
- b(kN.m),与下列何项数值最为接近? (A)270 (B)280 (
- C)290 (
- D)310
-
假若框架粱梁端剪力设计值Vb=285kN,采用双肢箍筋,试问,该框架梁加密区的箍筋配置,下列何项最合适?
提示:梁截面条件满足规范要求。
(
- A)φ8@100&n
- bsp; (B)φ10@100 (
- C)φ12@100 (
- D)φ14@100
-
某建造在抗震设防区的多层框架结构房屋,其柱下独立基础尺寸为2.8m×3.2m,如图14-13所示。作用在基础顶面处的地震作用效应标准值为:Fk=1200kN,Vk=180kN,Mk=600kN·m。基础及其底面以上土的加权平均重度γG=20kN/m3。

根据以上题干,回答38~40题
该地基抗震承载力特征值fae(kPa),与下列何项数值最为接近?
(A)346
(B)354
(C)266
(D)260
-
该地基基底与地基土之间零应力区的长度(m),与下列何项数值最为接近?
(
- A)0.056 (
- B)0.065 (
- C)0.085 (
- D)0.095
-
该建筑物地下室抗震设计时,下列何项选择是完全正确的?
(1)地下一层有很多剪力墙,抗震等级可采用二级
(2)地下二层抗震等级可根据具体情况采用二级
(3)地下二层抗震等级不能低于三级
(4)地下一层柱截面每侧的纵向钢筋截面面积不应少于上一层柱对应侧的纵向钢筋截面面积的1.1倍
(
- A)(1)、(3) (
- B)(1)、(2) (
- C)(3)、(4) (
- D)(2)、(4)
-
条件同[题64],假定已求得梁柱节点核心区组合的剪力设计值Vj=1900kN。柱四侧各梁截面宽度均大于该侧柱截面宽度的1/2,且正交方向梁高度不小于框架梁高度的3/4。试问,根据节点核心区受剪截面承载力要求,所采用的核心区混凝土轴心受压强度fc的计算值(N/mm2),应与下列何项数值最为接近?
(
- A)9.37 (
- B)14.3 (
- C)11.9 (
- D)10.3
-


设计值Vj(kN),与下列何项数值最为接近?
(A)1657
(B)821
(C)836
(D)1438
-


(A)559
(B)387
(C)508
(D)425
-
假定该榀框架为边榀框架,柱C
- A底截面内力同上题,试问,当对柱截面进行抗震设计时,柱CA底截面最大组合弯矩设计值(kN·m),与下列何项数值最为接近? (A)-390 (
- B)-585 (
- C)-644 (
- D)-730
-
根据以下资料,回答31~37题。
某幢10层现浇钢筋混凝土框架结构办公楼,如图2-17所示,无库房,结构总高34.7m,建于8度地震区,丙类建筑,设计地震分组为第一组,Ⅱ类场地。二层箱形地下室,地下室未超出上部主接相关范围,可作为上部结构的嵌固端(图中未示出地下室)。

首层框架梁AB,在某一荷载效应组合中,由荷载、地震作用在该梁A端产生的弯矩标准值如下:
永久荷载:MGK=90kN·m;楼面活荷载:MQk=-50kN·m
风荷载:MWK=±20kN·m;水平地震作用:MEhK=±40kN·m
其中楼面活荷载已考虑折减。试问,当考虑有地震效应组合时,AB梁A端的最大组合弯矩设计值MA(kN·m),与下列何项数值最为接近?
(A)-147.2
(B)-190
(C)-166.4
(D)-218
-
首层框架柱C
- A在某一荷载效应组合中,由荷载、地震作用在柱底截面产生的内力标准值如下: 永久荷载:M
- b>GK=-25kN·m,NGK=3100kN 楼面活荷载:MQk=-15kN·m,NQK=550kN 地震作用:MEhk=±270kN·m,NEhK=±950kN 其中楼面活荷载已考虑折减。试问,当考虑有地震效应组合时,该柱柱底截面最大组合轴力设计
- C)5370 (
- D)5258
- A在某一荷载效应组合中,由荷载、地震作用在柱底截面产生的内力标准值如下: 永久荷载:M
-
对于某桥上部结构为三孔钢筋混凝土连续梁,试判定在以下四个图形中,哪一个图形是该梁在中孔跨中截面a的弯矩影响线? 提示:只需定性地判断。

-
对木结构齿连接的见解,下列何项不妥?说明理由。
(
- A)齿连接的可靠性在很大程度上取决于其构造是否合理 (
- B)在齿连接中,木材抗剪破坏属于脆性破坏,故必须设置保险螺栓 (
- C)在齿未破坏前,保险螺栓几乎不受力 (
- D)木材剪切破坏对螺栓有冲击作用,故螺栓应选用强度高的钢材
-
下列关于钢框架钢筋混凝土核心筒结构设计中的一些见解,其中何项说法是不正确的?说明理由。
(
- A)水平力主要由核心筒承受 (
- B)当框架边柱采用H形截面钢柱时,宜将钢柱强轴方向布置在外框架平面内 (
- C)进行加强层水平伸臂桁架内力计算时,应假定加强层楼板的平面内刚度无限大 (
- D)当采用外伸桁架加强层时,外伸桁架宜伸人并贯通抗侧力墙体
-
若第二层采用MUl0烧结普通砖、M7.5混合砂浆,试问,第二层外纵墙8的高 厚比验算式(β=-t0≤μ1,μ2[β]),其左右端项的数值,与下列何项数值最为接近?
(
- A)8.5<21&n
- bsp; (B)12.5<21 (
- C)8.5<26 (
- D)12.5<26
-
若距1号主梁支点/4处截面由恒载、汽车荷载、人群荷载产生的弯矩标准值分别为Mg=2100kN·rn,MQ=4000kN·m(含冲击系数),Mr=90kN·m,在持久状况按 承载力极限状态下的L/4处截面弯矩基本组合值(kN·m),与下列何项数值最为接近?
(
- A)8110&n
- bsp; (B)8220 (
- C)8650 (
- D)8740
-
根据下列材料,请回答24~26题:
某双向行驶箱形梁桥如图12—22所示,计算跨径为24.5m,标准跨径为25.0m,桥面车行道净宽为15.5m,两侧人行道为2×1.0m。设计荷载:汽车荷载为公路-Ⅰ级,人群荷载为3.0kN/m。汽车荷载冲击系数μ=0.166。用偏心受压法计算得知,1号梁布置三列汽车时跨中荷载横向分布系数为1.356;布置四列汽车时跨中荷载横向分布系数为1.486。

提示:按《公路桥涵设计通用规范》(JTG D60--2004)及《公路钢筋混凝土及预应力混凝土桥涵设计规范》(JTG D62--2004)解答。
当横桥向布置两列汽车时,用偏心受压法计算1号梁跨中荷载横向分布系数m q, 与下列何项数值最为接近?
(A)1.077
(B)1.186
(C)1.276
(D)1.310
-
若1号梁布置两列汽车时跨中荷载横向分布系数为l.200,试问,距1号梁支点L/4处截面由汽车荷载产生的弯矩标准值(kN·m),与下列何项数值最为接近?
(
- A)2485&n
- bsp; (B)2315 (
- C)2280 (
- D)2140
-
假定基桩嵌固人岩深度1=3200mm,试问,按《建筑桩基技术规范》(JGJ94-2008)规定,单桩竖向承载力特征值Rn(kN),与下列何项数值最为接近?
(
- A)3400 (
- B)4000 (
- C)4500 (
- D)5000
-
该工程试桩中,由单桩竖向静载试验得到3根试桩竖向极限承载力分别为7800kN,8500kN,8900kN。根据《建筑地基基础设计规范》(GB5007--2002)规定,试问,工程设计中所采用的桩竖向承载力特征值R
- a(kN),与下列何项数值最为接近? (A)3900 (
- B)4000 (
- C)4200 (
- D)4400
-
假定桩纵向钢筋采用HRB335级钢筋
- alt="" src="//img1.yqda.net/question-name/01/f8
- b8a7491942d5266ed3eba09f1b16.jpg" />问,按《建筑桩基技术规范》(JGJ94-2008)规定,基桩轴心受压时的正截面受压承载力设计值(kN),与下列何项数值最为接近? (A)4600 (B)5000 (
- C)5500 (
- D)6100
-
根据下列材料,请回答20~23题:
某多层地下建筑采用泥浆护壁成孔的钻孔灌注桩基础,柱下设三桩等边承台,钻孔灌注桩直径为800mm,其混凝土强度等级为C30(fc=14.3N/mm2),其重度γ=25kN/m3,工程场地的地下水设计水位为-1.0m,有关地基各土层分布情况、土的参数、承台尺寸及桩身配筋,见图17-11所示。

假定按荷载效应标准组合计算的单根基桩拔力Nk=1200kN,土层及各层的抗拔系数λi均为0.75,试问,按《建筑桩基技术规范》(JGJ94—2008)规定,当群桩呈非整体破坏时,满足基桩抗拔承载力要求的基桩最小嵌固入岩深度1(m),与下列何项数值最为接近?
(A)2.0
(B)2.3
(C)2.7
(D)3.0
-
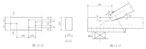
某三角形木桁架的上弦杆和下弦杆在支座节点处采用单齿连接,节点连接如图l3~17所示。齿连接的齿深hc=30mm,上弦轴线与下弦轴线的夹角α=30°。上、下

弦杆采用红松(TCl3B),其截面尺寸均为l40mmX l40mm。该桁架处于室内正常环境,安全等级为二级,设计使用年限为50年。根据对下弦杆齿面的受压承载能力计算,试确定齿面能承受的上弦杆最大轴向压力设计值(kN),与下列何项数值最为接近?
(A)28
(B)37
(C)49
(D)60
-
某一先张法预应力混凝土空心板,采用混凝土强度等级C50,采用预应力钢绞线1×7,其直径为d,σpe=1000MP
- a,当对该空心板端部区段进行正截面、斜截面抗裂验算时,其板端的预应力钢筋传递长度(ram),与下列何项数值最为接近? (A)60d (
- B)80d (
- C)55
- d (D)58d
-
抗震等级为二级的钢筋混凝土框架结构,其节点核心区的尺寸及配筋如图9—24所示。混凝土强度等级为C40(
=19.1N/
),主筋、箍筋分别采用HRB400(
=360N/点击查看答案





























=19.1N/
),主筋、箍筋分别采用HRB400(
=360N/
(kN),与下列何项数值最为接近? (A)85 (B)106 (
为155kN,桩径为600mm,则面积置换率m,与下列何项数值最为接近?

度标准值(fpk)为1860MPa,公称截面面积为140mm2。每根预应力束
组成。锚具为夹片式群锚,张拉控制应力采用0.75fpk。试问,单根预应力束的最大张拉力(kN),与下列何项数值最为接近?
(kN/m),与下列何项数值最为接近? (A)1.6 (B)1.9 (