2012年一二级注册结构工程师专业考试上午模拟试题(4)
-
关于对设计地震分组的下列见解,其中何项符合规范编制中的抗震设防决策?
(
- A)是按实际地震的震级大小分为三组 (
- B)是按场地剪切波速和覆盖层厚度分为三组 (
- C)是按地震动反应谱特征周期和加速度衰减影响的区域分为三组 (
- D)是按震源机制和结构自振周期分为三组
-
根据下列材料,请回答78~79题:
某两跨无吊车房屋,属于弹性方案,处于室内正常环境,边柱截面为620mm×990mm的组合砖柱,如图16-11,柱从基础顶面至柱顶的高度为8m,承受轴向力设计值N=331kN,沿长边方向的偏心距e=665mm。采用MU10砖,M7.5混合砂浆,C20混凝土,纵筋采用HRB335级钢筋。施工质量控制等级8级,结构安全等级二级。


试确定轴向力作用下的附加偏心距ea(mm),与下列何项数值最为接近?
(A)24
(B)31
(C)36
(D)40
-
柱采用对称配筋
为下列何项数值时才能满足要求,且较为经济合理。
-
某单层多跨地下车库,顶板采用非预应力无梁楼盖方案,双向柱网间距均为7.8m,中柱截面为700ram×700ram。已知顶板板厚h=450mm,倒锥形中柱柱帽尺寸如图l3—4所示,顶板混凝土强度等级为C30,as=40mm。
根据以上题干,回答76~77题
试问,在不配置抗冲切箍筋和弯起钢筋的条件下,顶板受冲切承载力设计值(kN),应与下列何项数值最为接近?
(A)3260
(B)3580
(C)3790
(D)4120

-
假定该顶板受冲切承载力设计值为3200kN,当顶板活荷载按4kN/m2设计时,试问,车库顶板的允许最大覆土厚度H(m),与下列何项数值最为接近?
提示:①覆土重度按18kN/m3考虑,混凝土重度按25kN/m3考虑;
②按永久荷载效应控制的组合计算。
(
- A)1.68&n
- bsp; (B)1.88 (
- C)2.20 (
- D)2.48
-
当采用竖向永久荷载效应控制的组合,且在组合中取该边柱弯矩(绝对值)为最大时,其相应的M(kN·m)、N(kN)的组合效应设计值,应与下列何组数据最为接近?
(
- A)M=-105.40;N=127.77 (
- B)M=-101.93;N=119.33 (
- C)M=-49.45;N=100.38 (
- D)M=-83.30;N=114.08
-
某受拉边倾斜的Ⅰ字形截面简支梁(图10-3),受拉边的倾角β=20°,离支座中心距离a=2000mm处作用一集中力 P=400kN,混凝土强度等级C25(
=11.9N/
),箍筋用HPB300级。已知梁腹板厚
=160mm,腹板高
=820mm,翼缘高度=
100mm,
=80mm。结构安全等级二级。
=45mm。试问,当仅配置箍筋时,其箍筋配置,下列何项数值最合适?提示:斜截面条件满足规范要求;忽略梁自重产生的剪力;‰=2865mm。
(A)2 6@150
(B)2中8@150
(C)2中10@150
(D)2中12@150

-
根据以下资料,回答74~75题。
某一现浇多层钢筋混凝土民用建筑框架结构(无库房和机房),其边柱某截面在各种荷载(标准值)作用下的M、N内力如下:
静载:M=-23.2kN·mN=56.5kN
活载1:M=14.7kN·mN=30.3kN
活载2:M=-18.5kN·mN=24.6kN
左风:M=45.3kN·mN=-18.7kN
右风:M=-40.3kN·mN=16.3kN
活载1和活载2均为竖向荷载,且二者不同时出现。
当采用由可变荷载效应控制的组合(按简化规则),且当在组合中取该边柱的轴向力为最小,并且组合应包括所有荷载时,试问,相应的M(kN·m)、N(kN)的组合效应设计值,应与下列何组数据最为接近?
(
- A)M=97.3;N=108.0 (
- B)M=-51.15;N=98.8 (
- C)M=9.54;N=57.5 (
- D)M=10.6;N=63.9
-
假设
/
=5,试问,梁端支承处砌体局部受压承载力洲ψ
=(kN),与下列何项数值最为接近? (A)60 (B)90 (C)120 ( - D)150<
-
根据以下资料,回答71~72题。
某窗间墙截面1500mm×370ram,采用MU10烧结多孔砖,M5混凝土砂浆砌筑。墙上钢筋混凝土梁截面尺寸b×h=300mm×600mm,如图11—7所示。梁端支承压力设计值
=60kN,由上层楼层传来的荷载轴向力设计值
=90kN。
试问砌体局部抗压强度提高系数),,与下列何项数值最为接近?
(A)1.2
(B)1.5
(C)1.8
(D)2.0
-
若取s=15mm,对焊缝强度验算时,试问,焊缝有效截面上的剪应力(N/mm2),与下列何项数值最为接近?
(
- A)15.1 (
- B)18.1 (
- C)25.6 (
- D)28.4
-

(A)640
(B)610
(C)577
(D)560
-
根据以下资料,回答69~70题。
某刚性方案砌体结构房屋,采用MU10烧结普通砖,1层采用M5混合砂浆,2~3层采用M2.5混合砂浆,地面下采用M7.5水泥砂浆,结构平面和剖面见图2-9所示。窗间墙的几何特征:A=495700mm2,I=40.633×108mm4,y1=144mm,y2=

226mm。梁端设刚性垫块ab×bb×tb=370mmX490mm×180mm。施工质量控制等级B级,结构安全等级二级。


(A)0.56
(B)0.50
(C)0.40
(D)0.36
-
某轴心受压箱形柱,其外围尺寸为300mm×300mm,板厚45mm,如图14-6所示。若采用单边V形坡口部分焊透的对接焊缝连接,坡口角α=45°,钢材用Q2358,E43型焊条、手工焊。柱截面特性:A=45900mm2,Ix=513×106mm4。

根据以上题干,回答67~68题
试问,图中坡口深度s(mm),与下列何项数值最为合理?
(A)10
(B)11
(C)12
(D)13
-
假若该中柱在地震作用组合下的轴力N=2574kN,该中柱的箍筋配置形式如图

提示:箍筋混凝土保护层厚度为20mm。
(A)2.0
(B)2.2
(C)1.6
(D)1.9
-


提示:0.3fCA=1544.4×103N。
(A)1.48
(B)2.01
(C)2.24
(D)2.38
-
采用对称配筋
- AS=A′S,受压区高度x=205mm,该中柱柱底截面的纵向钢筋配置量A′S(mm2),与下列何项数值最接近? (A)3800 (
- B)3500 (
- C)3300 (
- D)3100
-
在8度抗震设防区,某房屋总高度不超过24m,丙类建筑,设计配筋砌砌体剪力墙中,下述抗震构造措施中,何项不妥?说明理由。
提示:剪力墙的压应力大于0.5fg。

(B)剪力墙一般部位水平分布筋的最小配筋率0.11%
(C)剪力墙连梁水平受力筋的含钢率不宜小于0.4G
(D)剪力墙砌体柱的纵向钢筋的配筋率不应小于0.4%
-
下述关于建筑抗震设防分类标准的叙述中,何项不妥?说明理由。
(
- A)建筑面积不小于17000m2的多层商场建筑的抗震设防类别为乙类 (
- B)中学的教学用房的抗震设防类别应不低于乙类 (
- C)高层建筑中结构单元内经常使用人数超过8000人时,其抗震设防类别为乙类 (
- D)二、三级医院中承担特别重要医疗任务的住院用房,其抗震设防类别为甲类
-
根据以下资料,回答63~66题。
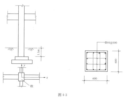
某多层钢筋混凝土框架结构办公楼,抗震等级二级,首层层高4.2m,其余各层层高为3.9m,地面到基础顶面1.1m,柱网7.5m×7.5m,柱架柱截面尺寸600mm×600mm,框架梁截面尺寸为300mm×600mm(y方向)、300mmX×600mm(x方向),如图4-3所示。首层中柱,柱底截面在x方向地震作用下的荷载效应与地震作用效应组合的内力设计值(已考虑二阶效应)为:M=800kN·m,N=2200kN,V=369kN,受力纵筋采用HRB400级,箍筋采用HRB335级。柱采用C30混凝土,梁采用C25混凝土。取aS=a′S=40mm。

假定已考虑侧移影响的该中柱上、下端截面沿x方向的组合弯矩、轴力设计值分别为:M1=-600Kn·m,N1=2000kN,M2=750kN,N2=2200kN,试问,该中柱的控制截面的弯矩设值(kN·m),与下列何项数值最为接近,构件的计算长度近似数为ιC=5.3m。
(A)750
(B)770
(C)800
(D)850
-
与节点板单面连接的等边角钢轴心受压杆,长细比λ=l00,工地高空安装采用焊接,施工条件较差。试问,计算连接时,焊缝强度设计值的折减系数,与下列何项数值最为接近?
(
- A)0.63&n
- bsp; (B)0.675 (
- C)0.765 (
- D)0.90
-
某单跨无吊车简易厂房,弹性方案,有柱间支撑,承重柱截面b×h=600mm8800mm,承重柱采用MU20单排孔混凝土砌块(孔洞率30%),Mb10混合砂浆对孔砌筑,Cb25灌孔混凝土全灌实,满足规范构造要求。厂房剖面如图1-所示,柱偏心受压,沿柱截面边长方向偏心距e=220mm。施工质量控制等级B级,结构安全等级二级,试问,该独立柱偏心受压承载力(kN),与下列何项数值最为接近?
(A)1140
(B)1250
(C)800
(D)890


-
吊车梁由一台吊车荷载引起的最大竖向弯矩标准值Mk,m
- ax=5600kN.M,试问,考虑欠载效应,吊车梁下翼缘与腹板连接处腹板的疲劳应力幅(N/mm2),与下列何项数值最为接近? (A)94 (
- B)75 (
- C)68 (
- D)60
-
厂房排架计算时,假定每台吊车同时作用,试问,柱牛腿由吊车荷载引起的最大竖向应力标准值(kN),与下列何项数值最为接近?
(
- A)2005 (
- B)2110 (
- C)2200 (
- D)1905
-
假定吊车梁采用突缘支座,支座端板与吊车梁腹板采用双面角焊缝连接,焊缝高度hf=10mm,支座剪力设计值V=3200kN,试问,该角焊缝的剪应力设计值(N/mm2),与下列何项数值最为接近?
(
- A)75 (
- B)95 (
- C)110 (
- D)190
-
在吊车最大轮压作用下,试问,吊车梁在腹板计算高度上边缘的局部承压应力设计值(N/mm2),与下列何项数值最为接近?
(
- A)80 (
- B)72 (
- C)66 (
- D)52
-
在计算吊车梁的强度、稳定性及连接的强度时,应考虑由吊车摆动引起的横向水平力,试问,作用在每个吊车轮处由吊车摆动引起的横向水平力标准值Hk(kW),与下列何项数值最为接近?
(
- A)21.6 (
- B)28.8 (
- C)14.4 (
- D)36
-
某砌体结构多层房屋(刚性方案),如图7-12所示。试问,外墙在二层顶处由风荷载引起的负弯矩标准值(kN·m),与下列何项数值最为接近?

提示:按每米墙宽计算。
(A)-0.3
(B)-0.4
(C)-0.5
(D)-0.6
-
根据下列材料,请回答53~58题:
某单层工业厂房为钢结构,厂房柱距18m,设置有两台重级工作制的软钩吊车,吊车每侧有4个车轮,最大轮压标准值Pk,max=360kN,吊车轨道高度hR=150mm,每台吊车的轮压分布图,如图17-4(a)所示。吊车梁为焊接工字形截面,如图17-4(b)所示。采用Q345-C钢制作,焊条采用E50型。

在竖向平面内,吊车梁的最大弯矩设计值Mmax=14500kN·m,试问,强度计算中,仅考虑Mmax作用时,吊车梁下翼缘的最大拉应力设计值(N/mm2),与下列何项数值最为接近?
(A)185
(B)236
(C)248
(D)282
-
在施工过程中,吊车资料变更,根据最新的吊车资料,栈桥外肢底座最大拉力设计值VB=108kN,原设计地脚锚栓为2个M30,试问,在新的情况下地脚锚栓的拉应力盯(N/mm2),与下列何项数值最为接近?
(
- A)76.1 (
- B)96.3 (
- C)152.2 (
- D)192.6
-
根据最新的吊车资料,栈桥柱吊车肢最大压力设计值N
- AE
- b>=1204kN,原设计柱肢截面为H400×200×8×13(A:8412mm2,iX=168mm,iy=45.4mm),当柱肢AE按轴心受压构件的稳定性验算时,试问,柱肢最大压应力(N/mm2),与下列何项数值最为接近? 提示:不考虑柱肢各段内力变化对计算长度的影响。 (A)166.8 &n
- C)188.1 (
- D)215.0
-
栈桥柱腹杆CD作为减少受压柱肢长细比的杆件,假定采用两个中间无联系的等边角钢,试问,杆件最经济合理的截面,与下列何项数值最为接近?
(
- A)190×6(i
- b>X=27.9mm,imin=18mm) (B)k80×6(iX=24.7mm,imin=15.9mm) (
- C)175×6(iX=23.1mm,imin=14.9mm) (
- D)163×6(iX=19.3mm,imin=12.4mm)
- A)190×6(i
-
栈桥柱腹杆DE采用两个中间有缀条联系的等边角钢,其截面为175×6(iX=23.1mm,imin=14.9mm),当按轴心受压构件计算稳定性时,试问,杆件抗压强度设计值f的折减系数,与下列何项数值最为接近?
(
- A)0.862 (
- B)0.836 (
- C)0.821 (
- D)0.810
-
栈桥柱腹杆DE采用两个中间无联系的等边角钢,其截面1125×8(iX=38.3mm,imin=25mm),当按轴心受压构件计算平面内稳定性时,试问,杆件抗压强度设计值f的折减系数,与下列何项数值最为接近?
(
- A)0.725 (
- B)0.756 (
- C)0.818 (
- D)0.842
-
根据以下资料,回答44~51题。
某露天原料堆场,设置有两台桥式吊车,起重量Q=16t,中级工作制;堆场跨度为30m,长120m,柱距12m,纵向设置双片十字交叉形柱间支撑,下片设在图3-7中EA处。栈桥柱的构件尺寸及主要构造,如图3-7所示,采用Q2358钢制造,焊接采用E43型电焊条。
荷载标准值:(1)结构自重(2)吊车荷载
吊车梁G1=40kN垂直荷载P=583.4kN
辅助桁架=20kN横向水平荷载T=18.1kN
栈桥柱G3=50kN

在结构自重和吊车荷载共同作用下,栈桥柱外肢BD的最大压力设计值(kN),与下列何项数值最为接近?
(A)123.3
(B)161.5
(C)167.1
(D)180.4
-
在结构自重和吊车荷载共同作用下,栈桥柱吊车肢
- AC的最大压力设计值(kN),与下列何项数值最为接近? (A)748.8 (
- B)1032.4 (
- C)1049.5 (
- D)1114.1
-
在结构自重和吊车荷载共同作用下,栈桥柱底部斜杆
- AD的最大压力设计值(kN),与下列何项数值最为接近? (A)22.9 (
- B)30.6 (
- C)37.9 (
- D)41.9
-
某多层砌体结构第一层外墙局部墙段设置构造柱,其立面如图9—15所示,墙厚240mm。当进行地震剪力分配时,试问,计算该砌体墙段层间等效侧向刚度所采用的洞口影响系数,与下列何项数值最为接近?
提示:按《建筑抗震设计规范》(GB500112010)作答。
(A)0.88
(B)0.91
(C)0.95
(D)0.98


-
一般环境中的配筋混凝土结构构件,其普通钢筋的保护层最小厚度与环境作用等级、混凝土强度等级有关,与下列何项无关?
(
- A)荷载作用 (
- B)设计使用年限 (
- C)结构构件类型 (
- D)最大水胶比
-
某一建造于II类场地上的钢筋混凝土多层框架结构,抗震等级为二级,其中,某柱轴压比为0.6,混凝土强度等级为C25,箍筋采用HPB300级,剪跨比为2.1,柱断面尺寸及配筋形式如图1-3所示。该柱为角柱且其纵筋采用HRB400级钢筋时,下列何项配筋面积AS(mm2),最接近允许最小配筋率的要求?

-
若支座截面处的抗剪箍筋配置量为
- A
- b>SV/s=0.6mm2/mm,取ξ=1.2,其他条件同[题4],A
- COR,=202500mm2。试问,支座截面总的箍筋配置量ASV (mm2),与下列何项数值最为接近? (A)96 (B)102 (C)138 (
- D)148
- A
-
若框架边梁的箍筋为双肢箍,箍筋间距s=100mm,试问,边梁支座截面的箍筋配置量
- A
- b>SV(mm2),与下列何项数值最为接近? 提示:①按集中荷载下的独立剪扭构件计算; ②支座截面条件满足规范要求。 (A)70 (B)85 (
- C)95 (
- D)110
- A
-
某受压构件采用热轧H型钢HN700×300×13×24,其腹板与翼缘相连接处两侧圆弧半径r=28mm。试问,进行局部稳定验算时,腹板计算高度ho与其厚度tw之比值,与下列何项数值最为接近?
(
- A)54 (
- B)50 (
- C)46 (
- D)42
-
根据以下资料,回答38~40题。
某钢筋混凝土框架边梁,矩形截面尺寸为500mmX 500rnm,计算跨度ι0为6.3m,框架边梁上作用有两根次梁传来的集中力设计值P=150kN,边梁上的均布荷载设计值(包括白重)q=9kN/m,如图2-2所示。框架边梁的混凝土强度等级为C25,纵筋选用 HRB400级,箍筋选用HPB300级钢筋。已知框架边梁支座截面弯矩设计值M=226.64kN· m,剪力设计值V=153.35kN,扭矩设计值T=50kN·m。结构安全等级二级。取aS=a′S=35mm。

框架边梁的跨中底部纵向受力钢筋的最小配筋率(%),与下列何项数值最为接近?
(A)0.19
(B)0.25
(C)0.33
(D)0.41
-
对方形斜腹杆塔架结构,当从结构构造和节省钢材方面综合考虑时,试问,下列何种截面形式的竖向分肢杆件不宜选用?

-
该过梁的受剪承载力设计值(kN),与下列何项数值最为接近?
提示:砌体强度设计值调整系数γ
- a=1.0 (A)25 (
- B)22 (
- C)15 (
- D)12
-
根据下列材料,请回答33~35题:
某住宅楼的钢筋砖过梁净跨1n=1500mm,墙厚240mm,立面见图17-9所示,采用MU10烧结多孔砖,M10混合砂浆砌筑。过梁底面配筋采用HRB335级钢筋3Ф10,锚入支座内的长度为250mm,多孔砖砌体自重18kN/m3。砌体施工质量控制等级为B级,在离窗口顶800mm高度处作用有楼板传来的均布恒荷载标准值qk=11kN/m,均布活荷载标准值qk=6kN/m。

试确定该过梁所能承受的均布荷载设计值(kN/m),与下列何项数值最为接近?
(A)24
(B)22
(C)20
(D)18
-
该过梁的受弯承载力设计值(kN·m),与下列何项数值最为接近?
(
- A)29 (
- B)33 (
- C)47 (
- D)20
-
非抗震设计时,该梁支座截面设计值V=5760kN,与该值相应的轴拉力设计值为:N=3800kN,计算剪跨比A=1.5,该梁支座截面箍筋配置,与下列何项数值最为接近?

-
根据以下资料,回答31~32题。
某烧结普通砖砌体结构,因特殊需要需设计有地下室,如图7-10所示,房屋的长度为1、宽度为8,抗浮设计水位为-1.0m,基础底面标高为-4.0m;算至基础底面的全部永久荷载标准值为gk=50kN/m2,全部活荷载标准值Pk=10kN/m2,结构重要性系数γ0=0.9。

在抗漂浮验算中,漂浮荷载效应γ0S1,与抗漂浮荷载效应S2之比,与下列何项数值最为接近?
提示:砌体结构按刚体计算,水浮力按活荷载计算。
(A)γ0S1/S2=0.85>0.8,不满足漂浮验算
(B)γ0S1/S2=0.75<0.8,满足漂浮验算
(C)γ0S1/S2=0.70<0.8,满足漂浮验算
(D)γ0S1/S2=0.65<0.8,满足漂浮验算
-
二层某外墙立面如图7-11所示,墙体设 构造柱,墙厚370mm,墙洞宽0.9m,高1.2m。窗台高于楼面0.9m,砌体的弹性模量为 E(MPa)。试问,该外墙层间等效侧向刚度(N/mm),与下列何项数值最为接近?

提示:墙体剪应变分布不均匀系数ξ=1.2;取G=0.4E。
(A)217E
(B)235E
(C)285E
(D)195E
-
根据以下资料,回答28~30题。
某钢筋混凝土单跨梁,截面及配筋如图11—1所示,混凝土强度等级为C40,纵向受力钢筋HRB400级,箍筋及两侧纵向构造钢筋HRB335级。已知跨中弯矩设计值M=1460kN·m,轴向拉力设计值N=3800kN,
=
=70mm。
该梁每侧纵向构造钢筋最小配置量,与下列何项数值最接近?

-
非抗震设计时,该梁跨中截面所需下部纵向钢筋截面面积
(
),与下列何项数值最为接近? 提示:仅按矩形截面汁算。 (A)3530 (B)5760 (C)7070 & -
砌块砌体房屋外墙(局部)如图8-13所示,墙厚190mm。在验算壁柱问墙的高厚比时,圈梁的断面b×h为下列何项数值时,圈梁可视为壁柱问墙的不动铰支点,且较为经济合理。

(A)b×h=190mm×120mm
(B)b×h=190mm×150mm
(C)b×h=190mm×180mm
(D)b×h=190mm×200mm
-
非地震地区的某顶层钢筋混凝土框架梁,混凝土等级为C30,截面为矩形,宽度b=300mm,钢筋采用HRB400级,端节点处梁的上部钢筋为
中间节点处柱的纵向
(A)485
(B)395
(C)425
(D)450
-
某一焊接实腹工字形吊车梁,材料用Q345钢,承受动力荷载重复作用,应力变化的循环次数n=4×106。其上翼缘与腹板采用自动焊,二级T形对接和角接组合焊缝,下翼缘与水平桁架连接并有螺栓孔,试问,该吊车梁翼缘分别在焊接处、螺栓孔处主体金属的容许应力幅值(N/mm2),与下列何项数值最为接近?
(
- A)121.0;93.4 (
- B)128.0;98.4 (
- C)93.4;121.0 (
- D)98.4;128.0
-
该柱采用对称配筋,试问,柱的纵向受压钢筋配置A:,与下列何项数值最为接近?

-
该柱平面外的承载力设计值(kN),与下列何项数值最为接近?

(A)1355
(B)1395
(C)1450
(D)1495
-
根据以下资料,回答22~24题。
有一两跨无吊车房屋,为弹性方案,柱间有支撑,其边柱截面为400r
- am5<600
的配筋砌块砌体柱,从基础顶面至边柱顶面的高度为8.0m,采用MU10砌块(孔洞率46 %),Mb10砂浆,Cb20灌孔混凝土,并按100%灌孔,砌体抗压强度为
=5.44N/
。纵向钢筋采用HRB335级(点击查看答案
- am5<600

为下列何项数值时才能满足要求,且较为经济合理。

=11.9N/
),箍筋用HPB300级。已知梁腹板厚
=160mm,腹板高
=820mm,翼缘高度=
100mm,
=80mm。结构安全等级二级。
=45mm。试问,当仅配置箍筋时,其箍筋配置,下列何项数值最合适?
/
=5,试问,梁端支承处砌体局部受压承载力洲ψ
=(kN),与下列何项数值最为接近? (A)60 (B)90 (C)120 (
=60kN,由上层楼层传来的荷载轴向力设计值
=90kN。
























=
=70mm。

(
),与下列何项数值最为接近? 提示:仅按矩形截面汁算。 (A)3530 (B)5760 (C)7070 &
中间节点处柱的纵向


的配筋砌块砌体柱,从基础顶面至边柱顶面的高度为8.0m,采用MU10砌块(孔洞率46 %),Mb10砂浆,Cb20灌孔混凝土,并按100%灌孔,砌体抗压强度为
=5.44N/
。纵向钢筋采用HRB335级(







