注册结构工程师(一级基础考试-下午)模拟试卷1
-
在φ=15°(Nγ=1.8,Nq=4.45,Nc=12.9),c=15 kPa,γ=18 kN/m3的地基表面有一个宽度为3m的条形均布荷载,对于整体剪切破坏的情况,按太沙基承载力公式计算的极限承载力为( )。
- A.80.7 kPa
- B.193.5 kPa
- C.242.1 kPa
- D.50.8 kpa
-
分层总和法计算地基最终沉降量的分层厚度一般为( )。
- A.0.4b
- B.0.4L
- C.0.4m
- D.天然土层厚度
-
地基附加应力沿深度的分布是( )。
- A.逐渐增大,曲线变化
- B.逐渐减小,曲线变化
- C.逐渐减小,直线变化
- D.均匀分布
-
某直径为400mm、桩长为10m的钢筋混凝土预制摩擦型桩,桩端土端阻力特征值qpa= 3000 kPa,桩侧阻力特征值qsia=100 kPa,初步设计时,单桩竖向承载力特征值为 ( )。
- A.1737 kN
- B.1634 kN
- C.777 kN
- D.1257 kN
-
在排水不良的软黏土地基上快速施工,在基础设计时,应选择的抗剪强度指标是( )。
- A.快剪指标
- B.慢剪指标
- C.固结快剪指标
- D.直剪指标
-
用非破损法和微破损法检测混凝土强度时,下列哪一个要求是不合理的?( )
- A.用回弹法,每个构件10个测区,每个测区16个回弹点、1个碳化深度点
- B.用回弹法,环境温度不得低于-4℃、高于+40℃
- C.用钻芯法,对受弯构件,芯柱从距支座1/3跨度范围内中和轴部位取样
- D.用钻芯法,芯柱直径取10cm,芯样数量对一般构件不少于3个
-
影响黏性土性质的土中水主要是( )。
- A.强结合水
- B.弱结合水
- C.重力水
- D.毛细水
-
框架结构地基变形的主要特征是( )。
- A.沉降量
- B.沉降差
- C.倾斜
- D.局部倾斜
-
在观测混凝土构件的裂缝时,将测量仪交替布置在梁的受拉区段,如出现下列何种情形,则证明开始开裂。( )。
- A.某一测点仪器读数突然增大,相邻测点仪器读数也随之增大
- B.某一测点仪器读数突然增大,相邻测点仪器读数可能变小
- C.某一测点仪器读数不变,相邻测点仪器读数突然增大
- D.某一测点仪器读数不变,相邻测点仪器读数突然减小
-
用砖、石砌筑的墙体,进行低周反复加载试验,延性系数用μ=μu/μy表示。下述四种情况中,哪一种情况是实际采用的?( )
- A.μy取开裂荷载时的变形,μu取极限荷载时的变形
- B.μy取屈服荷载时的变形,μu取极限荷载时的变形
- C.μy取屈服荷载时的变形,μu取下降段0.85极限荷载时的变形
- D.μy取开裂荷载时的变形,μu取下降段0.85极限荷载时的变形
-
选择仪表量测各种参数时,下列仪表哪一种不满足量测要求?( )
- A.量程为10mm的百分表,最小分度值为0.01mm
- B.位移传感器的准确度不应低于1.0级,示值误差应为±1.0%F.S.
- C.静态应变仪的精度不应低于B级,最小分度值不宜大于10×10-5
- D.用刻度放大镜量测裂缝宽度时,其最小分度值不宜大于0.05mm
-
简支的钢筋混凝土梁,主筋用Ⅱ级钢,正截面试验时,下列破坏标志哪一项是不正确的? ( )
- A.受拉主筋屈服,受拉应变达0.01
- B.受拉主筋外最大垂直裂缝宽度达1.5mm
- C.挠度达到跨度的1/25
- D.主筋端部有相对于混凝土滑移达0.2mm
-
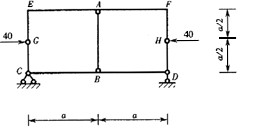
试求下图所示梁A截面的角位移θA( )(已知EI=1.5×105kN·m2)。

- A.0.04m
- B.0.02m
- C.0.03m
- D.0.05m
-
试求下图所示C端的竖向位移△cv( )(已知EI=1.5×105kN·m2)。

- A.

- B.

- C.

- D.

- A.
-
下图所示三个单跨梁的自振频率分别为ωa、ωb、ωc,它们之间的关系为( )。

- A.ωa>ωb>ωc
- B.ωa>ωc>ωb
- C.ωc>ωa>ωb
- D.ωb>ωa>ωc。
-
等直杆件AB的转动刚度(劲度系数)SAB( )。
- A.与B端支撑条件及杆件刚度都有关
- B.只与B端的支撑条件有关
- C.与A、B两端的支撑条件都有关
- D.只与A端的支撑条件有关
-
下图所示刚架结构,不计分布质量,动力自由度个数为( )。

- A.2
- B.3
- C.4
- D.5
-
下图所示结构中,当高度增加时,杆1的内力( )。

- A.增大
- B.减小
- C.不确定
- D.不变
-
下图所示桁架结构中,零杆个数为( )。

- A.6
- B.7
- C.8
- D.9
-
如图所示体系的超静定次数为( )。

- A.5
- B.6
- C.7
- D.8
-
在温度改变的情况下,静定结构内部将( )。
- A.有内力、有位移
- B.无内力、有位移
- C.有内力、无位移
- D.无内力、无位移
-
如图所示体系,铰K相当的约束个数为( )。

- A.4
- B.5
- C.6
- D.7
-
图中CD杆所受力状况是( )。

- A.受M、N、Q
- B.受M、N
- C.仅受N
- D.仅受M、Q
-
图的半结构正确的为( )。

- A.

- B.

- C.

- D.

- A.
-

- A.

- B.

- C.

- D.

- A.
-
如图所示桁架中,上弦杆拉力最大者为( )。
- A.

- B.

- C.

- D.

- A.
-
下面关于沉降缝的说法哪种是正确的?( )
- A.沉降缝应设在温度和收缩变形可能引起的应力集中的地方
- B.沉降缝应设在高度相差较大或荷载差异较大处
- C.沉降缝的宽度是为了保证沉降缝两侧房屋内倾时不互相挤压、碰撞
- D.沉降缝只将墙体及楼盖分开,不必将基础断开
-
两端铰接Q235钢的轴心压杆,在不改变钢号、构件截面类别及翼缘和腹板截面面积的情况下,采用下列哪项措施可提高杆件的承载力?( )
- A.改变杆件两端连接构造,在弱轴方向增设侧向支承点或减小翼缘厚度加大宽度
- B.调整杆件弱轴方向计算长度或减小宽度加大厚度
- C.改变杆件两端连接构造,在弱轴方向增设侧向支承点或减小翼缘宽度加大厚度
- D.调整杆件弱轴方向计算长度或加大宽度减小厚度
-
配有螺旋式箍筋的钢筋混凝土柱,其受压承载力计算中不考虑稳定系数中的原因是 ( )。
- A.螺旋箍约束了核心混凝土,使钢筋混凝土柱强度提高
- B.螺旋箍有效防止钢筋混凝土柱失稳破坏
- C.规范规定此类柱只适用t0/a>12
- D.此类柱比普通箍筋柱有更高的抗震能力
-
在单筋适筋梁中,受拉钢筋配置得越多,则( )。
- A.梁的延性越大
- B.梁的延性越小
- C.梁的延性不变
- D.界限破坏或平衡破坏
-
截面尺寸和材料强度等级确定后,受弯承载力与受拉区纵向钢筋配筋率ρ之间的关系是 ( )。
- A.ρ越大,正截面受承载力也越大
- B.ρ越大,正截面受承载力也越小
- C.当ρ<ρmax时,ρ越大,则正截面受承载力也越小
- D.当ρmin≤ρ≤ρmax时,ρ越大,正截面受承载力也越大
-
有两根其他条件均相同的受弯构件,仅正截面受拉区受拉钢筋的配筋率ρ不同,一根ρ大,一根ρ小。设Mcr是正截面开裂弯矩,Mu是正截面受弯承载力,则ρ与Mcr/Mu的关系是( )。
- A.ρ大的,Mcr/Mu大
- B.ρ小的,Mcr/Mu大
- C.两者的Mcr/Mu相同
- D.无法比较
-
一钢筋混凝土轴心受压短柱,由混凝土徐变引起的塑性应力重分布现象与纵筋配筋率ρ′,的关系是( )。
- A.ρ′越大,塑性应力重分布越不明显
- B.ρ′越大,塑性应力重分布越明显
- C.ρ′与塑性应力重分布越不明显
- D.开始时,ρ′越大,塑性应力重分布越不明显,但ρ′超过一定值后,塑性应力重分布反而变明显
-
两个轴心受拉构件的截面尺寸、混凝土强度等级和钢筋级别均相同,只是纵筋配筋率ρ不同,则即将开裂时( )。
- A.配筋率ρ大的钢筋应力σs,也大
- B.配筋率ρ大的钢筋应力σs也小
- C.直径大的钢筋应力σs也小
- D.两个构件的钢筋应力σs相同
-
无明显流幅钢筋的强度设计值是按( )确定的。
- A.材料强度标准值×材料分项系数
- B.材料强度标准值/材料分项系数
- C.0.85×材料强度标准值/材料分项系数
- D.材料强度标准值/(0.85×材料分项系数)
-
承载能力极限状态设计时,应进行荷载效应的( )。
- A.基本组合和偶然组合
- B.基本组合和标准组合
- C.偶然组合和标准组合
- D.标准组合和准永久组合
-
在轴向压力和剪力的共同作用下,混凝土的抗剪强度( )。
- A.随压应力的增大而增大
- B.随压应力的增大而减小
- C.随压应力的增大而增大,但压应力超过一定值后,抗剪强度反而减小
- D.与压力无关
-
在保持不变的长期荷载作用下,钢筋混凝土轴心受压构件中( )。
- A.徐变使混凝土压应力减小
- B.混凝土及钢筋的压应力均不变
- C.徐变使混凝土压应力减小,钢筋压应力增大
- D.徐变使混凝土压应力增大,钢筋压应力减小
-
某二层楼进行固定节拍专业流水施工,每层施工段数为3,施工过程有3个,流水节拍为2天,则流水工期为( )。
- A.16天
- B.10天
- C.12天
- D.8天
- B.
- C.
- D.
-
浇筑多层钢筋混凝土框架结构的柱子时,应( )。
- A.一端向另一端推进
- B.由外向内对称浇筑
- C.由内向外对称浇筑
- D.任意顺序浇筑
-
在水平荷载的作用下,框架柱的反弯点位置主要与( )因素有关。
- A.梁柱的线刚度比
- B.结构的总层数及该柱所在的楼层位置
- C.上层柱与下层柱的刚度比和配筋率
- D.上层柱与下层柱的承载能力之比及轴压比
-
人工降低地下水位施工中,当土的渗透系数很小(K<0.1 m/d)时,宜采用( )方法降水。
- A.轻型井点
- B.电渗井点
- C.喷射井点
- D.管井井点
-
一般人工夯填土,分层填土厚度为( )mm。
- A.小于200
- B.250~300
- C.200~250
- D.大于250
-
《中华人民共和国房地产管理法》中规定下列哪几种房地产不得转让?( ) ①以出让方式取得土地使用权的不得出让,只能使用;②司法机关和行政机关一发裁定,决定查封或以其他形式限制房地产权利的,以及依法收回土地使用权的;③共有房地产;④权属有争议的及未依法登记领取权属证书;⑤法律、行政法规规定禁止转让的其他情形
- A.①②③
- B.②③④⑤
- C.②④⑤
- D.③④⑤
-
施工招标的形式有以下哪几种?( ) ①公开招标;②邀请招标; ③仪标; ④指定招标
- A.①②
- B.①②④
- C.①④
- D.①②③
-
建设工程总承包单位经建设单位同意,可将部分工程分包,其分包工程质量( )。
- A.由分包单位对建设单位直接负责
- B.由总承包单位对建设单位直接负责
- C.由分包单位通过总承包单位对建设单位负责
- D.由总承包单位与分包单位对建设单位承担连带责任
-
山脊的等高线为一组( )。
- A.凸向地处的曲线
- B.垂直于山脊的平行线
- C.凸向高处的曲线
- D.间距相等的平行线
-
对环境可能造成轻度影响的应当编制项目( )。
- A.环境影响报告书
- B.登记表
- C.环境影响一般评价表
- D.环境影响报告表
- B.
- C.
- D.
-
在竖直角观测中,盘左读数L=112°15′00″,盘右读数R=247°44′38″,指标差x应是 ( )。
- A.+11″
- B.-11″
- C.+22″
- D.-22″
-
水准仪应满足的几何条件不包括( )。
- A.圆水准管轴L0L0//竖轴VV
- B.十字丝横丝⊥竖轴VV
- C.水准管轴L0L0//视准轴CC
- D.视准轴CC⊥横轴HH
-
DS3型水准仪的四条轴线包括竖轴、长水准管轴及( )。
- A.视准轴和横轴
- B.横轴与纵轴
- C.视准轴与圆水准管轴
- D.纵轴与圆水准管轴
-
海拔是指地面到哪个面?( )
- A.海平面
- B.大地水准面
- C.水平面
- D.球面
-
常用于制作焊接网、骨架、箍筋等的钢材是( )。
- A.冷轧带肋钢筋
- B.冷拉Ⅰ级钢筋
- C.热处理钢筋
- D.冷拔低碳钢丝
-
建筑用沥青与道路用沥青的主要区别在于( )。
- A.针入度不同
- B.黏度不同
- C.延度不同
- D.软化点不同
-
硅酸盐水泥中含量最多的和强度最高的分别是( )。
- A.C2S,C3S
- B.C3A,C3S
- C.C3S,C3S
- D.C3S,C2S
-
防止大体积混凝土的温度裂缝,应选用( )。
- A.硅酸盐水泥
- B.增加水泥用量
- C.普通水泥
- D.矿渣水泥并C↓
-
石灰通常不单独使用,一般均掺有砂子,其理由是( )。
- A.提高强度
- B.减小膨胀
- C.节约石灰
- D.避免收缩裂
-
材料吸湿后,其导热系数λ( )。
- A.先增大,后又恢复
- B.减小
- C.不变
- D.增大
-
含水率为5%的砂220kg,将其干燥后,质量应为( )。
- A.209 kg
- B.209.52 kg
- C.10 kg
- D.220 kg


























