2008注册结构工程师专业考试下午部分模拟题(一)
-
第60题:某一般框架梁(无集中荷载),混凝土强度等级为C30,截面尺寸6×h=250mm×500mm,配双肢箍ф8@100,已知受剪面满足规范要求,箍筋为HPB235钢筋,as=35mm,其斜截面承载力与下列( )项数值最为接近。
- A.240kN
- B.280kN
- C.212kN
- D.325kN
-
第59题:某屋架,业主供应钢材为Q235-B钢(3号镇静钢),型钢及节点板厚度均不超过10mm,钢材抗压强度设计值是( )。
- A.200N/mm2
- B.210N/mm2
- C.215N/mm2
- D.225N/mm2
-
第58题:
有一商住楼的框架结构,地下2层,地上6层,地下2层为六级人防,地下1层为自行车库,其剖面示意如题图所示。

已知:
①地下室柱配筋均比地上柱大l0%;
②地下室±0.000处顶板厚l60mm,采用分离式配筋,负筋φl6@150,正筋φ14@150:
③人防顶板厚250mm,顶板(标高-4.000处)采用φ20双向双层钢筋网;
④各楼层的侧向刚度比为:

在作结构分析时,对上部结构的嵌固端应取在何处,存在以下几种不同意见。试指出其中( )项正确,并说明其理由。
- A.取在地下2层的底板顶面(标高-9.000处),不考虑土体对结构侧向刚度的影响
- B.取在地下1层的底板顶面(标高-4.000处),不考虑土体对结构侧向刚度的影响
- C.取在地上1层的底板顶面(标高±0.000处)
- D.取在地下1层底板顶面(标高-4.000处),并考虑回填土体对结构侧向刚度的影响
-
第56题:

- A.20.5
- B.22.6
- C.30.4
- D.34.2
-
第57题:某三层砌体结构,采用钢筋混凝土现浇楼盖,其第二层纵向各墙段的层问等效侧向刚度值见题30表,该层纵向水平地震剪力标准值V=300kN。试问,墙段3应承担的水平地震剪力标准值V3(kN),应与下列( )项数值最为接近。
墙段编号
l
2
3
4
单个墙段的层间等效侧向刚度(kN/m)
0.0025E
0.005E
0.OlE
0.15E
各类墙段的总数量(个)
4
2
l
2
- A.5
- B.9
- C.14
- D.20
-
根据下列条件,回答 55~56 题:
某钢筋混凝土五跨连续梁,其计算简图及8支座配筋如题图所示:混凝土强度等级为C30,ft=1.43N/mm2,ftk=2.01N/mm2,EC=3.0×104N/mm2;纵筋采用HRB400级热轧钢筋,Es=2.0X 105N/mm2。

第55题:已知梁截面有效高度ho=660m,B支座处梁上部纵向钢筋拉应力标准值220N/mm2,纵向受拉钢筋配筋率p=9.92×10-3,按有效受拉混凝土截面面积计算的纵向受拉钢筋配筋率m=0.0187。试问,梁在该支座处的短期刚度B(N.mm2),与下列( )项数值最为接近。
- A.9.27×1013
- B.9.79×1013
- C.1.15×1013
- D.1.31×l014
-
第54题:已知位于梁截面高度范围内通过次梁传递的集中荷载设计值F=160kN,次梁的宽度b=250mm,高度h=400mm(包括楼板厚),主梁的截面高度为H=600mm,若仅用附加吊筋(HRB335),则附加吊筋的数量最接近( )项配置。
- A.2φ18
- B.2φ16
- C.2φ14
- D.2φ20
-
第53题:某钢筋混凝土排架柱,净高Ho=6m,上端铰接下端固接,柱的截面为矩形,b×h=400mm×400mm,混凝土强度等级C20,纵筋用HRB335,箍筋HPB235,柱顶作用有轴力400kN,若配置箍筋为8@150。安全等级二级,环境类别为一类。已知受剪面满足规范规定,试问柱所能承受的最大剪力设计值与( )项数值最为接近。
- A.V=148.3kN
- B.V=198.8kN
- C.V=132.3kN
- D.V=169.5kN
-
第51题:试问,外纵墙壁柱轴心受压承载力与下列( )项数值最为接近。
- A.1177kN
- B.1323kN
- C.1137kN
- D.1059kN
-
第52题:

- A.232kN<939kN
- B.232kN<1018kN
- C.232kN<916kN
- D.232kN<845kN
-
第50题:屋面永久荷载(含屋架)标准值为2.2kN/m2(水平投影),活荷载标准值为0.5kN/m2;挑出的长度详见B-B剖面。试问,屋架支座处最大压力设计值与下列( )项数值最为接近。
- A.90.85kN
- B.99.82kN
- C.94.11kN
- D.85.14kN
-
第48题:某住宅承重内横墙系用190厚单排孔混凝土小型空心砌块砌筑的无灌孔砌体墙,块体强度等级为blUl5,水泥砂浆强度等级为Mb7.5,墙体计算高度Ho=2800mm。该墙体(无灌孔)的轴心承载力与下列( )项数值最为接近。
- A.380.9kN
- B.441.5kN
- C.335.6kN
- D.296.6kN
-
根据下列条件,回答 49~52 题:
某单层、单跨、无吊车仓库,如题图所示。屋面为装配式有檩体系钢筋混凝土结构,墙体采用MUl5蒸压灰砂砖,M5砂浆砌筑,砌体施工质量控制等级为B级。外墙T形特征值详见题表。

第49题:

- A.

- C.

- D.

- A.
-
第46题:当梁自重标准值为1.35kN/m,集中荷载标准值330kN,I=230342cm4时,跨中挠度为( )mm。
- A.23.6
- B.25.8
- C.34.9
- D.41.5
-
第47题:焊接组合梁腹板的计算高度h0=2400mm,根据局部稳定计算和构造要求,需在腹板一侧配置钢板横向加劲肋,其经济合理的截面尺寸是( )。
- A.-l20×8
- B.-l40×8
- C.-l50×10
- D.-l80×12
-
第45题:当梁自重设计值为1.62kN/m,集中荷载设计值429kN,Sx=2629cm3时,支座截面的抗剪强度为( )N/mm2。
- A.21.5
- B.26
- C.32.0
- D.34.3
-
第43题:如果梁自重设计值为1.62kN/m,集中荷载设计值429kN,跨中点处的剪力设计值为( )kN。
- A.192.6
- B.200.4
- C.214.5
- D.224.22
-
第44题:如果受拉翼缘的W=4006em3,当承受弯矩M=1316.16kN•m时,受拉边缘纤维的应力是( )N/mm2。
- A.311.6
- B.312.9
- C.313.4
- D.314.2
-
第42题:受压翼缘板戈轴的面积矩是( )cm3。
- A.1366
- B.1569
- C.1764
- D.1942
-
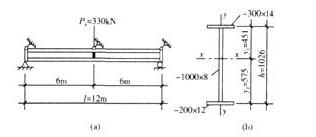
根据下列条件,回答 41~46 题:
某焊接工字形等截面简支楼盖梁,截面尺寸如题图,无削弱。在跨度中点和两端都设有侧向支承,材料为16Mn钢。集中荷载标准值Pk=330kN,为间接动力荷载,其中永久荷载效应和可变荷载效应各占一半,作用在梁的顶面,其沿梁跨度方向的支承长度为130mm。16Mn钢强度设计值f=315N/mm2,fv=185N/mm2。

第41题:受压纤维截面的抵抗矩是( )。
- A.5547cm3
- B.3586cm3
- C.5107cm3
- D.4006cm3
-
第39题:已知按荷载效应的标准组合计算的跨中弯矩值MI=90kN•nl,受拉区纵向钢筋为320(带肋钢筋),等效直径d0=20ram,按荷载效应的标准组合计算的纵向受拉钢筋的等效应力=210N/mm2,则最大裂缝宽度Wmax与下列( )项数值最为接近。
- A.0.201mm
- B.0.197mm
- C.0.233mm
- D.O.256mm
-
第40题:若按有效受拉混凝土截面面积计算的纵向受拉钢筋配筋率P0=1.508%,按荷载效应的标准组合计算的纵向受拉钢筋的等效应力=157N/mm2,裂缝间纵向受拉钢筋应变不均匀系数缈=0.551,受拉钢筋同上题,则梁表面处的最大裂缝宽度=0.551与下列 ( )项数值最为接近。
- A.O.154mm
- B.0.140 mm
- C.0.125 mm
- D.0.177 mm
-
第38题:若已知梁的短期效应刚度Bs=29 732.14kN•m2,按荷载效应的标准组合计算的跨中弯矩值MI=90kN•m,按荷载效应的标准永久组合计算的跨中弯矩值Mq=50kN•m,梁受压区配有2庐18的钢筋,则跨中挠度与下列( )项数值最为接近。
- A.10.2mm
- B.14.3mm
- C.16.3mm
- D.11.9mm
-
第37题:若已知裂缝间向受拉钢筋应变不均匀系数缈=0.825,则该梁的短期效应刚度与下列( )项数值最为接近。
- A.27610kN·m2
- B.27102kN·m2
- C.28 610kN·m2
- D.29610kN·m2
-
第36题:若已知按荷载效应的标准组合计算的跨中弯矩值Mk=100kN•m,则裂缝间纵向受拉钢筋应变不均匀系数与下列( )项数值最为接近。
- A.0.770
- B.0.635
- C.0.580
- D.0.660
-
根据下列条件,回答 34~35 题:
题图为某办公楼底层局部承重横墙的示意图,墙体厚240mm,采用MUl0黏土砖、 M5混合砂浆砌筑。

第34题:假设该横墙有窗洞900mm×900mm。试问有洞口墙允许高厚比的修正系数μ2 , 应为下列( )项数值。
- A.O.84
- B.1
- C.1.2
- D.0.9
-
第35题:

- A.20;24
- B.14;27.07
- C.20;22.56
- D.14;22.56
-
第33题:下述对钢管结构的构造要求,其中( )项是不妥当的。
- A.节点处除搭接型节点外,应尽可能避免偏心,各管件轴线之间的夹角不宜小于30。
- B.支管与主管之间连接焊缝,应沿全周连续焊接并平滑过渡,支管壁小于6mm时,可不切坡口
- C.在只座节点处,应将支管插入主管内
- D.主管直径和壁厚应分别大于支管的直径和壁厚
-
第31题:假定调整Ll、L2、L3跨度后日支座左右两端的分配系数分别为0.45,0.55;支座固端弯矩分别为l00kN•m,-l50kN•m。C支座左右两端分配系数为0.4、0.6;固端弯矩为l50kN•m、-120kN•m,试问该梁进行二次弯矩重分配,B、D支座的弯矩接近( )组数据。
- A.MB=113.2kN·m.MD=129kN·m
- B.MB=153.12kN·m,Mb=151kN·m
- C.MB=126.44kN·m.MD=146.25kN·m
- D.MB=153.12kN·111.MD=129kN·m
-
第32题:假定该连续梁的B、C支座弯矩相同,即MB=MC=l40.23kN•m(设计值),两支座调幅系数均为0.7,并假定L2=8m,则BC跨中的计算配筋量AS(mm2)与( )项数值相近。
- A.804
- B.980
- C.1120
- D.1230
-
第28题:刚度验算中梁的挠度为( )mm。
- A.6.9
- B.7.5
- C.7.8
- D.8.2
-
第29题:关于过梁的论述正确的是( )。
- A.验算钢筋混凝土过梁下砌体局部受压承载力时,可不考虑上部荷载的影响
- B.采用钢筋混凝土过梁的最主要原因是施工简便
- C.砖砌平拱过梁拱高很小,因此破坏形式与受弯构件相同,即由正截面受弯破坏或斜截面受剪而破坏,其截面高度应取平拱的自身高度
- D.钢筋砖过梁底面砂浆层中的钢筋,其直径不应大于4mm
-
根据下列条件,回答 30~32 题:
有一根三跨的钢筋混凝土等截面连续梁,q=P+g=25kN/m(设计值)如题图所示。混凝土强度等级为C30,梁纵向受力钢筋采用HRB335钢,纵向受力钢筋合力点至截面近
边的距离as=35mm,梁截面b×h=200mm×500mm。

第30题:假定当Ll=6m,L2=8m,L3=5m,该梁弯矩分配系数μba及B支座的不平衡弯矩AM应与下列( )组数据相似。
- A.0.50; 20.8kN·m
- B.0.45; 93.75kN·m
- C.0.385;ll2.5kN·m
- D.0.625:I33.3kN·m
-
第26题:假设构件的截面尺寸为b×h=200mm×300mm,as=as\'=25mm,承受轴心拉力设计值N=380kN,弯矩没计值M=38kN•m,混凝土强度等级为C25,纵筋采用HRB335钢筋。假设截面为对称配筋,则靠近轴向拉力作用点一侧的纵向钢筋的计算面积4。最接近( )项配筋方案。
- A.3φl8
- B.3φ22
- C.4φl8
- D.2φ22
-
根据下列条件,回答 27~28 题:
某简支梁采用热轧普通工字钢,型号l36a。跨度为5m。梁上翼缘作用有均布荷载设计值q=36kN/m(包括自重),荷载标准值qk=27.69N/mm。跨中无侧向支承。其中梁的wx=878cm3,Ix=15796cm4,钢材Q235-B。
第27题:梁的弯曲应力为( )N/mm2。
- A.115
- B.122
- C.128
- D.133
-
第23题:在支座日点,拟采用承担水平拉力的l0个普通螺栓连接,螺栓使用Q235钢(3号钢)制造。当集中荷载标准值F=200kN时,所需螺栓直径应为( )项数值。
- A.Ml8
- B.M20
- C.M22
- D.M24
-
第24题:已求得杆件AC的轴心压力设计值为600kN,拟采用l60×160×8的焊接方管,A=4864mm2,ix=iy=62mm,当按轴心受压构件进行验算时,构件截面上的最大压应力与( )项数值接近。
- A.149.2N/mm2
- B.156.5N/mm2
- C.180.1N/mm2
- D.207.1N/mm2
-
第25题:简支梁当( )时整体稳定性最差。
- A.两端纯弯矩作用
- B.满跨均布荷载作用
- C.跨中集中荷载作用
- D.满跨均布荷载与跨中集中荷载共同作用
-
第21题:根据牛腿的裂缝控制要求,牛腿的有效高度与下列( )项数值最为接近。
- A.485mm
- B.569mm
- C.634mm
- D.582mm
-
第22题:若截面的有效高度ho=710mm,除竖向力外,作用在牛腿顶部的水平力设计值Fh=110kN,则纵向受拉钢筋的截面面积与下列( )项数值最为接近。
- A.1426mm2
- B.1516mm2
- C.1324mm2
- D.1629mm2
-
第20题:假设房屋为弹性方案,砌块空心率为=0.3,对孔砌筑,采用C25细石混凝土灌实,柱高H=5.33m,柱底在该方向标准荷载作用下的偏心距e=250mm。试计算偏心受压柱的承载力。与( )项数值最为接近。
- A.834kN
- B.596kN
- C.619kN
- D.576kN
-
第18题:假设房屋类别为弹性方案,柱高H=4.8m,柱间无支撑。试计算独立柱在垂直排架方向的高厚比ξ,并指出应为( )项数值。
- A.8
- B.8.8
- C.10
- D.11
-
第19题:假定砌块对孔砌筑,孔内不灌实混凝土,柱头全截面设一预制刚性垫块,且梁端有效支承长度a0=364mm。垫块下局部受压承载力与( )项数值接近。
- A.785kN
- B.685kN
- C.933kN
- D.743kN
-
第17题:某承受均布荷载的简支梁净跨ln=3.56m,截面尺寸b×h=200mm×500mm,两端支撑在240mm厚的砖墙上,承受永久均布荷载标准值gk=25kN/m,可变均布荷载标准值q1=50kN/m,混凝土强度等级为C30,箍筋为HPB235,纵筋为HRB335钢筋,箍筋为φ@200双肢箍,弯起钢筋利用梁底HRB335钢筋弯起,弯起45º,a3=35mm,对该梁的支座处进行斜截面承载力计算,则计算所需的弯起钢筋面积最接近( )项数值。
- A.197mm2
- B.336mm2
- C.139mm2
- D.266mm2
-
第16题:若总水平地震作用标准值FE=2000kN。试问,第三层的水平地震剪力标准值V3(kN),应与下列( )项数值最为接近。
- A.1000
- B.1150
- C.1300
- D.1450
-
第14题:已知某钢筋混凝土框架柱,截面尺寸b×h=300mm×400mm,柱净高Ho=3m,混凝土强度等级为C30,纵向钢筋为HRB335,箍筋为HPB235,柱顶作用有轴心力N=712kN,弯矩设计值M=352.50kN•m,剪力设计值V=170 kN,as=40mm,则截面箍筋总面积与间距的比值Asv/s与下列( )项数值最为接近。
- A.O.75
- B.O.88
- C.0.62
- D.O.70
-
第13题:条件同上题,但梁端设有刚性垫块时,则底层顶端的弯矩与( )项数值最为接近。
- A.13.6kN·m
- B.12.7kN·m
- C.16.1N·m
- D.l5.5kN·m
-
第15题:试问,总水平地震作用标准值FE(kN),应与下列( )项数值最为接近。
- A.1500
- B.1650
- C.1800
- D.1950
-
第12题:假定在某一承受竖向荷载的屋架中,有一竖腹杆仅为了减少上弦杆的长细比而设,则用以确定该杆截面的长细比应为( )项数值。
- A.λ=150
- B.λ=200
- C.λ=250
- D.λ=400
-
第11题:

- A.10mm
- B.14mm
- C.16mm
- D.20mm
-
第10题:关于网状配筋砌体的下列论述,( )正确。
- A.网状配筋砌体所用砂浆等级不应低于M2.5,砖的强度不应低于MU7.5
- B.钢筋的直径不应大于10mm
- C.钢筋网的间距不应大于五皮砖,并不大于400mm
- D.砌体灰缝厚度应保证钢筋上下各有1Omm的砂浆层
-
第9题:当该柱采用网状配筋配置,钢筋为中b4冷拔低碳钢丝,fy=430N/mm2,钢筋网竖向间距s=260mm(四皮砖),网格尺寸为60mm×60mm,已求得体积配筋率P=0.162,f=2.522N/mm2,该网状配筋柱承载力与( )项数值最为接近。
- A.592.7kN
- B.513.5kN
- C.441.4kN
- D.491.1kN
-
第7题:假设组合墙的稳定系数δcon=0.82,强度系数η=0.700,该组合墙的受压承载力最接近下列( )项数值。
- A.726kN
- B.747.5kN
- C.756kN
- D.689.5kN
-
第8题:该柱受压承载力设计值与( )项数值相近o
- A.292.7kN
- B.213.5kN
- C.241.4kN
- D.255.6kN
-
第6题:该组合墙的稳定系数最接近下列( )项数值。
- A.O.111
- B.0.703
- C.0.456
- D.0.213
-
第5题:该组合墙的强度系数与下列( )项数值最为接近。
- A.O.6ll
- B.0.703
- C.0.456
- D.0.513
-
第4题:

- A.-O.3
- B.-O.4
- C.-0.5
- D.-0.6
-
第2题:

提示:ft=1.1N/mm2,fy=210N/mm2,λRE=0.85,取fvE=0.2N/mm2进行计算。
- A.240
- B.265
- C.285
- D.315
-
第3题:重级工作制吊车梁的腹板与上翼缘间的焊缝( )。
- A.可用角焊缝
- B.应予焊透,焊缝质量不低于三级
- C.应予焊透,焊缝质量不低于二级
- D.应予焊透,焊缝质量不低于一级
-
第1题:当砌体抗剪强度设计值fv=0.14MPa时,假定对应于重力荷载代表值的砌体截面平均压应力σo=0.3MPa,试问该墙段截面抗震受剪承载力(kN)应与下列( )项数值最为 接近。
- A.15O
- B.l70
- C.l85
- D.200















