土建质量员考试试题及答案章节练习卷二【专业基础知识】
-
屋顶的类型与建筑物的屋面材料、屋顶结构类型及建筑造型要求等因素有关。
- 正确
- 错误
-
将屋面板放在有一定倾斜度的梁或墙上,而形成的坡度叫结构找坡。
- 正确
- 错误
-
坡度的形成有两种方式,即结构找坡和材料找坡。
- 正确
- 错误
-
立口具有施工速度快,门窗框与墙体连接紧密、牢固的优点。
- 正确
- 错误
-
结构找坡又称材料找坡或垫置坡度。
- 正确
- 错误
-
屋顶主要起承重和围护作用,它对建筑的外观和体型没有影响。
- 正确
- 错误
-
门在建筑中的作用主要是解决建筑内外之间、内部各个空间之间的交通联系。
- 正确
- 错误
-
为解决保温隔热的问题,可以在单层门窗扇上设置双层玻璃。
- 正确
- 错误
-
电梯机房应留有足够的管理、维护空间。
- 正确
- 错误
-
变形固体的基本假设是为了使计算简化,但会影响计算和分析结果。
- 正确
- 错误
-
楼梯栏杆是楼梯的美观设施。
- 正确
- 错误
-
作用在刚体上的力,其作用线可在刚体上任意平行移动,其作用效果不变。
- 正确
- 错误
-
多跨静定梁是若干根梁用铰链连接,并用若干支座与基础相连而组成的。
- 正确
- 错误
-
以轴线变形为主要特征的变形形式称为弯曲变形或简称弯曲。
- 正确
- 错误
-
力偶的作用效果只能产生转动。
- 正确
- 错误
-
平面平行力系的力的作用线都平行于X轴,该平行力系的平衡条件为。
- 正确
- 错误
-
力偶在坐标轴上有投影。
- 正确
- 错误
-
力偶不可以用一个合力来平衡。
- 正确
- 错误
-
力的分解即为力的投影。
- 正确
- 错误
-
下列用截面法计算指定截面剪力和弯矩的步骤不正确的是( )。
- A.计算支反力→截取研究对象→画受力图→建立平衡方程→求解内力
- B.建立平衡方程→计算支反力→截取研究对象→画受力图→求解内力
- C.截取研究对象→计算支反力→画受力图→建立平衡方程→求解内力
- D.计算支反力→建立平衡方程→截取研究对象→画受力图→求解内力
- E.计算支反力→截取研究对象→建立平衡方程→画受力图→求解内力
-
在平面力系中,各力的作用线都汇交于一点的力系,称为平面汇交力系。
- 正确
- 错误
-
混凝土结构的分类( )。
- A.钢骨混凝土结构
- B.砌块混凝土结构
- C.钢筋混凝土结构
- D.细石混凝土结构
- E.预应力混凝土结构
-
钢筋与混凝土共同工作的条件为( )。
- A.钢筋和混凝土之间存在良好的粘结力
- B.钢筋和混凝土材料不同无法共同受力
- C.钢筋与混凝土具有基本相同的温度线膨胀系数
- D.混凝土宜在碱性环境中工作
- E.温度变化时两种材料会产生粘结力破坏
-
按桩的使用功能分类( )。
- A.高承台桩基
- B.竖向抗压桩
- C.水平受荷桩
- D.竖向抗拔桩
- E.复合受荷桩
-
下列关于承台构造的说法正确的是( )。
- A.承台的宽度不小于300mm
- B.承台的配筋,对于矩形承台其钢筋应按双向均匀通长配筋,钢筋直径不小于10mm
- C.对于三桩承台,钢筋应按三向板带均匀配置
- D.承台混凝土的强度等级不低于C45
- E.承台的厚度不小于300mm
-
下列关于扩展基础说法中正确的是( )。
- A.锥形基础边缘高度不宜小于200mm
- B.阶梯形基础的每阶高度宜为200~500mm
- C.垫层的厚度不宜小于90mm
- D.扩展基础底板受力钢筋的最小直径不宜小于10mm
- E.扩展基础底板受力钢筋的间距宜为100~200mm
-
扩展基础钢筋混凝土强度等级不应小于( )。
- A.C15
- B.C20
- C.C30
- D.C45
-
轻钢结构单层厂房的基本组成( )。
- A.檩条系统
- B.轻钢骨架
- C.金属柱
- D.金属墙板
- E.门窗
-
下列说法中正确的是( )。
- A.当厂房的钢筋混凝土柱子再用现浇施工时,一般采用独立杯形基础
- B.屋盖系统主要包括屋架(屋面梁)、屋面板、屋盖支撑体系等
- C.连系梁主要作用是保证厂房横向刚度
- D.钢制吊车梁多采用“工”形截面
- E.侧窗主要解决中间跨或跨中的采光问题
-
防潮层常见的构造做法:( )。
- A.砌块防潮层
- B.卷材防潮层
- C.岩体防潮层
- D.砂浆防潮层
- E.细石混凝土防潮层
-
单层工业厂房的结构类型有( )。
- A.混凝土结构
- B.砖混结构
- C.排架结构
- D.钢架结构
- E.简易结构
-
散水应当采用( ) 材料做面层,采用( ) 做垫层。
- A.混凝土,混凝土
- B.砂浆,混凝土
- C.混凝土,砂浆
- D.碎砖,混凝土
- E.细砂,砂浆
-
墙的承重方案有( )。
- A.柱承重
- B.横墙承重
- C.纵墙承重
- D.纵横墙混合承重
- E.墙与柱混合承重
-
钢筋混凝土基础可以加工成( )。
- A.条形
- B.环形
- C.圆柱形
- D.独立
- E.井格
-
按照基础的形态,可以分为( )。
- A.独立基础
- B.扩展基础
- C.无筋扩展基础
- D.条形基础
- E.井格式基础
-
对于在弹性范围内受力的拉(压)杆,以下说法中,( )是正确的。
- A.长度相同、受力相同的杆件,抗拉(压)刚度越大,轴向变形越小
- B.材料相同的杆件,正应力越大,轴向正应变也越大
- C.杆件受力相同,横截面面积相同但形状不同,其横截面上轴力相等
- D.正应力是由于杆件所受外力引起的,故只要所受外力相同,正应力也相同
- E.质地相同的杆件,应力越大,应变也越大
-
横截面面积相等、材料不同的两等截面直杆,承受相同的轴向拉力,则两杆的( )。(中等)
- A.轴力相同
- B.横截面上的正应力也相同
- C.轴力不同
- D.横截面上的正应力也不同
- E.线应变相同
-
下列结论不正确的是( )。
- A.杆件某截面上的内力是该截面上应力的代数和
- B.杆件某截面上的应力是该截面上内力的平均值
- C.应力是内力的集度
- D.内力必大于应力
- E.垂直于截面的力称为正应力
-
杆件的应力与杆件的( )有关。
- A.外力
- B.材料
- C.截面
- D.杆长
- E.弹性模量
-
关于弹性体受力后某一方向的应力与应变关系,有如下论述正确的是( )。
- A.有应力一定有应变,有应变不一定有应力;
- B.有应力不一定有应变,有应变不一定有应力;
- C.有应力不一定有应变,有应变不一定有应力;
- D.有应力一定有应变,有应变一定有应力。
-
影响弯曲变形(位移)的因素为( )。
- A.材料性能
- B.稳定性
- C.截面大小和形状
- D.构件的跨度
- E.可恢复弹性范围
-
压弯构件应用于( )。
- A.屋架下弦
- B.钢屋架受节间力下弦杆
- C.厂房框架柱
- D.承重结构
-
下列不属于角焊缝按受力与焊缝方向分的为( )。
- A.直角焊缝
- B.侧缝
- C.端峰
- D.斜缝
-
不属于钢结构连接方式的是( )。
- A.焊接连接
- B.铆钉连接
- C.螺栓连接
- D.冲击连接
-
下列不属于现浇混凝土楼盖缺点的是( )。
- A.养护时间长
- B.结构布置多样
- C.施工速度慢
- D.施工受季节影响大
-
以钢板、型钢、薄壁型钢制成的构件是( )。
- A.排架结构
- B.钢结构
- C.楼盖
- D.配筋
-
由于箍筋在截面四周受拉,所以应做成( )。
- A.封闭式
- B.敞开式
- C.折角式
- D.开口式
-
轴压柱的矩形截面尺寸不小于( )。
- A.70.7 mm×70.7mm
- B.40 mm×40mm
- C.40 mm×160mm
- D.250mm×250mm
-
轴心受压构件截面法求轴力的步骤为( )。
- A.列平衡方程→取脱离体→画轴力图
- B.取脱离体→画轴力图→列平衡方程
- C.取脱离体→列平衡方程→画轴力图
- D.画轴力图→列平衡方程→取脱离体
-
工程中常见的梁,其横截面往往具有( )。
- A.竖向对称轴
- B.横向对称轴
- C.纵向对称平面
- D.横向对称平面
-
实际工程中,第一排弯起钢筋的弯终点距支座边缘的距离通常取为( )mm。
- A.30
- B.40
- C.50
- D.60
-
T形截面梁适宜的截面高宽比h/b为( )。
- A.1~2.5
- B.1.5~3
- C.2~3.5
- D.2.5~4
-
在混凝土中配置钢筋,主要是由两者的( )决定的。
- A.力学性能和环保性
- B.力学性能和经济性
- C.材料性能和经济性
- D.材料性能和环保性
-
混凝土宜在( )环境中工作。
- A.温暖
- B.寒冷
- C.酸性
- D.碱性
-
回车坡道一般布置在( )入口处。
- A.住宅室内外高差较大时
- B.大型公共建筑
- C.高层住宅
- D.坡地建筑
-
严寒地区,为保台阶不受( )的影响,应把台阶下部一定范围内的原土改设砂垫层。
- A.面层材料
- B.土质稳定性差
- C.表面荷载大小
- D.土壤冻胀
-
承台的配筋钢筋间距不大于( )mm。
- A.100
- B.200
- C.300
- D.400
-
折板式楼梯指( )。
- A.在板式楼梯的局部位置取消平台梁
- B.梯段板搁置在两侧墙上
- C.梯段板一侧搁置在墙上,一侧悬挑
- D.梯段板下取消斜梁
-
公共建筑的踏步的踢面高度不应大于( )mm。
- A.100
- B.150
- C.200
- D.250
-
现浇钢筋混凝土楼梯根据楼梯段结构形式不同分为( )楼梯。
- A.悬挑式
- B.墙承式
- C.板式和梁式
- D.梁承式
-
现浇钢筋混凝土楼梯根据( )不同分为板式楼梯和梁式楼梯。
- A.楼梯段的位置
- B.楼梯使用性质
- C.楼梯段结构形式
- D.楼梯平面形式
-
不属于小型构件装配式楼梯的是( )。
- A.墙承式楼梯
- B.折板式楼梯
- C.梁承式楼梯
- D.悬臂式楼梯
-
现浇钢筋混凝土楼梯的梯段分别与上下两端的平台梁整浇在一起,由平台梁支承的称为( )。
- A.板式楼梯
- B.梁式楼梯
- C.梁承式楼梯
- D.墙承式楼梯
-
预制装配式钢筋混凝土楼梯根据( )可分成小型构件装配式和中大型构件装配式。
- A.组成楼梯的构件尺寸及装配程度
- B.施工方法
- C.构件的重量
- D.构件的类型
-
公共建筑室内外台阶踏步的踢面高度不宜大于( )。
- A.180mm
- B.120mm
- C.150mm
- D.200mm
-
不属于梁承式楼梯构件关系的是( )。
- A.踏步板搁置在斜梁上
- B.平台梁搁置在两边侧墙上
- C.斜梁搁置在平台梁上
- D.踏步板搁置在两侧的墙上
-
公共建筑室内外台阶踏步的踏面宽度不宜小于( )。
- A.400mm
- B.300mm
- C.250mm
- D.350mm
-
室外楼梯不宜使用的扶手是( )。
- A.天然石材
- B.工程塑料
- C.金属型材
- D.优质硬木
-
下列对楼梯的叙述正确的是( )。
- A.楼梯是联系上下层的垂直交通设施
- B.建筑中采用最多的是预制钢筋砼楼梯
- C.楼梯是施工中要求较低的构件
- D.任何情况下螺旋楼梯都不能作为疏散楼梯使用
-
坡度大于( )称之为爬梯。
- A.38°
- B.45°
- C.60°
- D.73°
-
平面汇交力系的合成结果是(????)。
- A.一扭矩
- B.一弯矩
- C.一合力
- D.不能确定
-
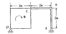
图示平面结构,正方形平板与直角弯杆ABC在C处铰接。平板在板面内受矩为M=8N·m的力偶作用,若不计平板与弯杆的重量,则当系统平衡时,直角弯杆对板的约束反力大小为( )。

- A.2N
- B.4N
- C.2N
- D.4N
-
平面一般力系向一点O简化结果,得到一个主矢量R′和一个主矩m0,下列四种情况,属于平衡的应是( )。
- A.R′≠0 m0=0
- B.R′=0 m0=0
- C.R′≠0 m0≠0
- D.R′=0 m0≠0
-
一个物体上的作用力系,满足(???)条件,就称这种力系称为平面汇交力系。
- A.作用线都在同一平面内,且汇交于一点
- B.作用线都在同一平面内,但不交于一点
- C.作用线在不同一平面内,且汇交于一点
- D.作用线在不同一平面内,且不交于一点
-
构件在外力作用下平衡时,可以利用( )。
- A.平衡条件求出所有未知力
- B.平衡条件求出某些未知力
- C.力系的简化求未知力
- D.力系的合成或分解求未知力
-
物体在一个力系作用下,此时只能(? )不会改变原力系对物体的外效应。
- A.加上由二个力组成的力系
- B.去掉由二个力组成的力系
- C.加上或去掉由二个力组成的力系
- D.加上或去掉另一平衡力系
-
某简支梁AB受载荷如图所示,现分别用R

- A.RB表示支座
- B.B处的约束反力,则它们的关系为( )。
- C.RA
- D.RA>RB
- E.RA=RB
- F.无法比较
-
保持力偶矩的大小、转向不变,力偶在作用平面内任意转移,则刚体的转动效应( )。
- A.变大
- B.变小
- C.不变
- D.变化,但不能确定变大还是变小
-
平行于横截面的竖向外力称为( ),此力是梁横截面上的切向分布内力的合力。
- A.拉力
- B.压力
- C.剪力
- D.弯矩
-
力使物体绕某点转动的效果要用( )来度量。
- A.力矩
- B.力
- C.弯曲
- D.力偶

