电子技术基础(三)2012年4月真题试题及答案解析(04730)
-
试用1片集成异步十进制计数器74LS290和1个与门电路设计一个七进制计数器,已知74LS290的功能表如题42表所示。

要求:(1)写出反馈置零函数式;
(2)在题42图所示原理图中完成相应的逻辑电路图的连接。

题42图
-
题40图所示电路为用运算放大器组成的多量程电压表原理图,有0.5V、1V、5V、10V四档量程,输出端接有满量程为0—5V的电压表,设RF=500kΩ,试计算电阻R1、R2、R3、R4的值。

-
某逻辑电路有三个输入信号A、B、C,在三个输入信号中A的优先权最高,B次之,C最低,它们的输出分别为YA、YB和YC。
若需要满足:(1)同一时间只有一个信号输出;(2)如有两个及两个以上的信号同时输入时,则只有优先权最高的有输出。试用与非门设计一个能实现此要求的逻辑电路。
要求:(1)列出真值表;
(2)写出逻辑表达式并化简;
(3)用与非门画出相应的逻辑电路图。
-
放大电路如题39图所示,图中各电容足够大,对输入信号频率呈短路,已知晶体管的β=120,UBEQ=0.6V。
要求:(1)计算静态基极电流IB的值;
(2)画出微变等效电路;
(3)计算电压增益
的值;(4)若为输入正弦电压的有效值,且=1mV,求输出电压uo的有效值。

-
题38图所示为异步时序电路。
要求:列出其状态转换真值表,并分析该电路的逻辑功能。

-
题37图所示为二位二进制编码器。要求:写出A、B的表达式,并列出其编码表。

-
题36图所示组合逻辑电路,写出的逻辑表达式,完成下列真值表,并说明该电路的逻辑功能。


-
设开关A接通为1,断开为0;灯F亮为1,灭为0。
要求:用真值表表示题34图所示电路A和F之间的逻辑关系,并写出其表达式。

-
题33图所示电路中的运放为理想运放,
要求:(1)写出uo1与ui的关系式;
(2)写出uo与ui的关系式。

-
利用公式法化简下列表达式,写出最简与或式。

-
电路如题31图所示,已知R1=1Ω,R2=2Ω,R3=3Ω,R4=4Ω,Us=5V,计算电流Io的值。

-
固定偏置放大电路如题32图所示,已知晶体管的β=80,UBEQ=0.6V,欲使IB=40μA,UC=6V,试计算电阻RB和RC的值。

-
某时序电路如题29图所示,设原状态为Q1Q0=00,当送入一个CP脉冲后的新状态Q1Q0=________。

-
简单可编程逻辑器件包括PROM、PLA、PAL等,它们都是________结构器件。
-
=________。 -
一个十进制数29转换成二进制数为________。
-
一个16选1的数据选择器(十六路数据选择器),其地址输入端有________个。
-
在不加滤波的单相桥式整流电路中,输出电压平均值UO(AV)=9V,则输入正弦电压的有效值应为________V。
-
稳压二极管在正常工作时,应工作在________状态。
-
基本放大电路的开环增益为100,若施加反馈深度为10的负反馈,则闭环增益降为________。
-
理想运算放大器可分为两个工作区,它们是________。
-
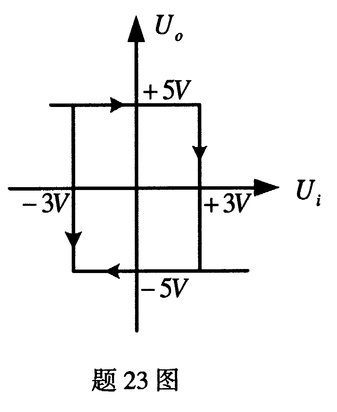
迟滞电压比较器的输入输出特性曲线如题23图所示,它的上阈值电压是________。

-
若测得某双极型晶体管基极电流IB=10μA,集电极电流IC=1mA,则晶体管的电流放大倍数β=________。
-
晶体二极管的主要特性是正偏导通,反偏________。
-
电路如题17图所示,已知R1=R2=1,当电流源作用为零时,则流过R1电阻的电流I=________A。

题17图
-
电路如题18图所示,等效输入阻抗Zin=________Ω。

题18图
-
当I=1A的直流电流流过L=1H的电感时,电感两端产生的端电压等于________V。
-
在可编程逻辑器件中,FPGA所表示的是( )
- A.可编程只读存储器
- B.通用阵列逻辑器件
- C.复杂可编程逻辑器件
- D.现场可编程门阵列
-
主从型JK触发器,当J=K=0时,则CP脉冲来到后JK触发器的次状态Qn+1为( )
- A.0
- B.1
- C.Qn
- D.

-
在以下输入情况中,“或非”运算的结果为逻辑1的是( )
- A.全部输入为0
- B.全部输入为1
- C.任一输入是0,其它输入为1
- D.任一输入是1,其它输入为0
-
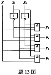
逻辑电路如题13图所示,当S1=0、S0=1时,则下列选项中正确的是( )

- A.P0=X
- B.P1=X
- C.P2=X
- D.P3=X
-
逻辑符号如下图所示,其中表示“与非”门的是( )
- A.

- B.

- C.

- D.

- A.
-
下列逻辑式中,正确的逻辑公式是( )
- A.

- B.

- C.

- D.

- A.
-
在单相桥式整流电路中,输入正弦电压的有效值为U2,如其中有一个整流二极管开路,则这时输出电压平均值UO(AV)为( )
- A.0V
- B.0.45U2
- C.0.9U2
- D.U2
-
在单相桥式整流电路中,输入正弦电压的有效值为U2,输出电流为IO(AV),则每个整流二极管承受最大反向电压URM和平均电流ID(AV)分别是( )
- A.

- B.

- C.

- D.

- A.
-
能将矩形波转变成三角波的运算电路为( )
- A.比例运算电路
- B.微分运算电路
- C.积分运算电路
- D.加法运算电路
-
以下关于差动放大电路的描述中,错误的是( )
- A.差动放大电路是一个对称电路
- B.差动放大电路的共模抑制比越大,性能越好
- C.差动放大电路能抑制零点漂移
- D.差动放大电路能抑制差模信号
-
理想运算放大器的两个基本特点是( )
- A.虚地与虚断
- B.虚短与虚地
- C.虚短与虚断
- D.断路与短路
-
已知加在电容C=2μF两端的电压为U(t)=100cos(2000πt)(mV),则流过该电容的电流为( )
- A.

- B.

- C.

- D.

- A.
-
下列关于P型半导体中载流子的描述,正确的是( )
- A.仅自由电子是载流子
- B.仅空穴是载流子
- C.自由电子和空穴都是载流子
- D.三价杂质离子也是载流子
-
电路如题2图所示,则以下关于电源功率的描述中,正确的是( )

- A.电压源吸收功率20W,电流源吸收功率40W
- B.电压源吸收功率20W,电流源提供功率40W
- C.电压源提供功率20W,电流源吸收功率40W
- D.电压源提供功率20W,电流源提供功率40W
-
下列关于电路中电压方向的描述,错误的是( )
- A.电压的参考方向可任意设定
- B.电压的实际方向就是参考方向
- C.电位降低的方向是电压的实际方向
- D.Uab表示a点与b点之间电压参考方向由a指向b





















