注册结构工程师(一级专业考试-下午)模拟试卷1
-
不考虑受压钢筋参加工作时,受拉钢筋截面面积为( )。
- A.1019mm2
- B.906mm2
- C.984mm2
- D.1254mm2
-
已知矩形截面尺寸b=200mm,h=300mm,采用20号混凝土和I级钢筋;在受压区已有受压钢筋2Φ20(A'g=628mm2),a'g=40mm,承受计算弯矩Mj=40kN·m。
采用I级钢筋时,混凝土受压区高度界限系数ζjg为( )。
- A.0.55
- B.0.6
- C.0.65
- D.1
-
考虑受压钢筋协助混凝土工作时,受拉钢筋截面面积为( )。
- A.804mm2
- B.906mm2
- C.798mm2
- D.985mm2
-
公路-Ⅱ级荷载在悬臂根部每米宽板条上产生的剪力最接近的数值是( )。
- A.23kN
- B.32kN
- C.16kN
- D.21kN
-
公路-Ⅱ级荷载在悬臂根部每米宽板条上产生的弯矩最接近的数值是( )。
- A.-18.36kN·m
- B.-15.3kN·m
- C.-10.5kN·m
- D.-9.65kN·m
-
如图所示铰接悬臂行车道板、承受公路-Ⅱ级荷载

若该桥的弹性模量为E=3.35×10N/mm4,梁跨中横截面面积A=3.0m2,惯性矩 I=1.2m4,计算跨径L=19.5m,试判定公路-Ⅱ级荷载的冲击系数μ与( )项数值最为接近。
- A.0.29
- B.0.38
- C.0.295
- D.0.285
-
行车方向的压力面宽a1和垂直行车方向的压力面宽b1最接近的数值是( )。
- A.a1=44cm,b1=84cm
- B.a1=84cm,b1=44cm
- C.a1=44cm,b1=44cm
- D.a1=84cm,b1=84cm
-
悬臂根部的有效分布宽度最接近的数值是( )。
- A.1.78m
- B.1.86m
- C.2.03m
- D.1.75m
-
计算地下室顶面的地震弯矩设计值M (kN·m),其与( )项数值最为接近。
- A.182391
- B.237108
- C.232090
- D.218869
-
计算小塔楼底部的地震弯矩设计值Mn(kN),其与( )项数值最为接近。
- A.2448
- B.3604
- C.1994
- D.2794
-
某10层现浇钢筋混凝土框架—剪力墙结构房屋,丙类建筑,剖面图如图所示。其抗震设防烈度为8度、地震分组第二组,地震加速度0.20g,Ⅱ类场地。质量和刚度沿高度分布比较均匀,但屋面有局部突出的小塔楼。阻尼比s' =0.05。结构的基本周期T1=1.13s。各层的重力荷载代表值=G1=14000kN,G2=G3=G4=G5= G6=G7=G8=G9=0.9G1,G10=0.8G1,Gn= 0.09G1,小塔楼的侧向刚度与主体结构的层侧向刚度之比片Kn/K=0.05。

计算相应T1的地震影响系数α1,其与 ( )项数值最为接近。
- A.0.16
- B.0.122
- C.0.0629
- D.0.098
-
计算结构水平地震作用标准值FEK(kN),其与( )项数值最为接近。
- A.6802
- B.5417
- C.7243
- D.6122
-
当乙类、丙类高层建筑结构高度较高时,宜采用时程分析法进行补充计算,下列 ( )符合《高层建筑混凝土结构技术规程》(JGJ 3-2002)的规定。
- A.7度和8度Ⅰ、Ⅱ类场地,高度大于80m,8度Ⅲ、Ⅳ类场地和9度,高度大于60m
- B.7度和8度Ⅰ、Ⅱ类场地,高度大于100m,8度Ⅲ、Ⅳ类场地和9度,高度大于60m
- C.7度和8度Ⅰ、Ⅱ类场地,高度大于100m,8度Ⅲ、Ⅳ类场地和9度,高度大于80m
- D.7度和8度Ⅰ、Ⅱ类场地,高度大于100m,8度Ⅲ、Ⅳ类场地,高度大于80m,9度,高度大于60m
-
当高层建筑结构采用时程分析法进行补充计算时,所求得的底部剪力应符合 ( )规定。
- A.每条时程曲线计算所得的结构底部剪力不应小于振型分解反应谱法求得的底部剪力80%
- B.每条时程曲线计算所得的结构底部剪力不应小于振型分解反应谱法求得的底部剪力65%,多条时程曲线计算所得的结构底部剪力平均值不应小于振型分解反应谱法求得的底部剪力 80%
- C.每条时程曲线计算所得的结构底部剪力不应小于振型分解反应谱法求得的底部剪力90%
- D.每条时程曲线计算所得的结构底部剪力不应小于振型分解反应谱法或底部剪力法求得的底部剪力75%
-
有抗震设防的高层建筑结构,对竖向地震作用的考虑,下列( )符合《高层建筑混凝土结构技术规程》(JGJ 3-2002)的规定。
- A.8度、9度设防时应考虑竖向地震作用
- B.9度抗震设计时,较高建筑应考虑竖向地震作用
- C.9度抗震设计时应考虑竖向地震作用
- D.7度设防的较高建筑及8度、9度设防时应考虑竖向地震作用
-
假定梁端上部纵向钢筋为8Φ25、下部为4Φ25,试问,关于梁中箍筋的设置,下列( )最为接近相关规范、规程的要求。
- A.

- B.

- C.

- D.

- A.
-
假定该建筑物建在Ⅳ类场地上,其角柱纵向钢筋的配置如下图所示。试问,下列在柱中配置的纵向钢筋面积,其中( )项最为接近相苯规范、规程的要求。

- A.

- B.

- C.

- D.

- A.
-

关于梁端纵向钢筋的设置,试问,下列( )项配筋符合相关规范、规程的要求。
- A.

- B.

- C.

- D.

- A.
-
假设外围框架结构的部分柱在底层不连续,形成带转换层的结构,且该建筑物的结构计算模型底部的嵌固端在±0.000处。试问,剪力墙底部需加强部位的高度(m),应与下列( )项数值最为接近。
- A.5.2
- B.10
- C.11
- D.13
-
假定风荷载沿高度呈倒三角形分布,地面处为0,屋顶处风荷载设计值q=134.7kN/m2,如下图所示。地下室混凝土切变模量与折算受剪截面面积乘积G0A0=19.76×106kN,地上1层G1A1=17.17× 106kN。试问,风荷载在该建筑物结构计算模型的嵌固端处产生的倾覆力矩设计值 (kN·m),与下列( )项数值最为接近。 提示:侧向刚度比,可近似按楼层等效剪切刚度比计算。

- A.260779
- B.347706
- C.368449
- D.389708
-
有密集建筑群的城市市区中的某建筑,地上28层,地下1层,为一般框架—核心筒钢筋混凝土高层建筑。抗震设防烈度为7度。该建筑质量沿高度比较均匀,平面为切角正三角形,如下图所示。

假定基本风压值当重现期为10年时w0=0.40kN/m2;当为50年时w0=0.55 kN/m2;当为100年时w0=0.6kN/m2。结构基本周期T1=2.9s。试确定,该建筑脉动增大系数ξ与下列( )项数值最为接近。
- A.1.59
- B.1.6
- C.1.67
- D.1.69
-
风作用方向见上图。竖向风荷载qk呈倒三角形分布,如下图所示。

- A.36.8
- B.42.2
- C.57.2
- D.52.8
-
试问,屋面处脉动影响系数υ与下列( )项数值最为接近。
- A.0.4702
- B.0.4772
- C.0.4807
- D.0.4824
-
高层建筑为了减小地基的变形,下列( )种基础形式较为有效。
- A.钢筋混凝土十字交叉基础
- B.箱形基础
- C.筏形基础
- D.扩展基础
-
在地震区“岩土工程勘察报告”中不包括下列( )项内容。
- A.场地土类
- B.建筑场地类型
- C.土层中是否有液化层
- D.地基土抗震承载力数值
-
柱边承台受冲切承载力值与下列( )项值接近。
- A.4230.9kN
- B.4367.1kN
- C.4457.6kN
- D.4601.5kN
-
角柱向上冲切时承台受冲切承载力与下列( )项值接近。
- A.967.3kN
- B.1142.6kN
- C.1296.7kN
- D.1401.5kN
-
承台I-I截面的受剪承载力与下列( )项值接近。
- A.1156.7kN
- B.1269.8kN
- C.1321.4kN
- D.1450.7kN
-
承台受弯承载力My与下列( )项值接近。
- A.619.57kN·m
- B.679.60 kN·m
- C.643.65kN·m
- D.656.73kN·m
-
承台受弯承载力Mx与下列( )项值接近。
- A.442.89kN·m
- B.452.63kN·m
- C.458.72kN·m
- D.465.21kN·m
-
某二级建筑桩基如下图所示,柱截面尺寸为450mm×600mm,作用于基础顶面的荷载设计值为:F=2800kN,M=210kN·m(作用于长边方向),H=145kN,采用截面为 350mm×350mm的预制混凝土方桩,承台长边和短边为:a=2.8m,b=1.75m,承台埋深 1.3m,承台高0.8m,桩顶伸入承台50mm,钢筋保护层取40mm,承台有效高度为:h0=0.8 -0.050-0.040=0.710m=710mm,承台混凝土强度等级为C2O,配置HRB335钢筋。

按《建筑桩基技术规范》(JGJ 94-94)取承台及其上土的平均重度γG=20kN/m2,则桩顶竖向力设计值最小与下列( )项值接近。
- A.406.75kN
- B.414.5kN
- C.419.8kN
- D.425.6kN
-
软弱下卧层顶面处自重应力与下列( )项值接近。
- A.149.56kPa
- B.157.96kPa
- C.172.34kPa
- D.184.1kPa
-
软弱下卧层地基承载力设计值与下列( )项值接近。
- A.249.52kPa
- B.267.47kPa
- C.273.82kPa
- D.284.31kPa
-
软弱下卧层顶面处的附加应力与下列( )项值接近。
- A.38.59kPa
- B.43.84kPa
- C.48.94kPa
- D.51.43kPa
-
当Qsk=440.59kN,Qpk=301.24kN时基桩的竖向承载力设计值与下列( )项值接近。
- A.455.57kN
- B.465.64kN
- C.473.59kN
- D.480.16kN
-
某群桩基础的平面,剖面和地基土层分布情况如下图;地质情况如下:
① 杂填土:其重度γ=17.8kN/m3;
② 淤泥质土:其重度γ=17.8kN/m3,桩的极限侧阻力标准值qsik=20kPa,属高灵敏度软土;
③ 黏土:其重度γ=19.5kN/m3,桩的极限侧阻力标准值qsik=60kPa,土的压缩模量 Es1=8.0MPa;
④ 淤泥质土:地基承载力标准值fk=70kPa,压缩模量Es2=1.6MPa;在桩长深度范围内务土层的加权平均土层极限摩擦力标准值qsk=21kPa;
⑤ 作用子桩基承台顶面的竖向力设计值F=3600kN,桩基承台和承台上土自重设计值 G=480kN。本桩基安全等级为二级。
如果桩基直径为0.4m,则基桩极限侧阻力标准值与下列( )项值接近。
- A.435.9kN
- B.450.9kN
- C.467.23kN
- D.475.94kN
-
D3杆轴心压力设计值N=-22.02kN,当按稳定验算时,斜杆D3的轴心受压承载力σc与下列( )项数值最为接近。
- A.4.89N/mm2
- B.6.22N/mm2
- C.7.94N/mm2
- D.10.09N/mm2
-
如果桩身直径为0.4m,则基桩端阻力标准值与下列( )项值接近。
- A.327.69kN
- B.339.12kN
- C.346.78kN
- D.350.51kN
-
下列( )项正确。
- A.梁端较短垫梁下的砌体,可视为均匀局部受压
- B.梁端预制刚性垫块下的砌体为均匀局部受压
- C.钢筋混凝土过梁和墙梁,梁端底面砌体的应力分布可近似为均匀的
- D.梁端预制刚性垫块和与梁端现浇成整体的刚性垫块下砌体的应力状态相同
-
如题图所示原木屋架,选用红皮云杉TC13B制作。斜杆D3原木梢径d=100mm,其杆长L=2828mm。

D3杆轴心压力设计值N=-17.77kN,当按强度验算时,斜杆D3的轴心受压承载力σc与下列( )项数值最为接近。
- A.1.10N/mm2
- B.1.39N/mm2
- C.2.26N/mm2
- D.1.78N/mm2
-
若已知荷载设计值Q2=150kN/m,则使用阶段的托梁斜截面受剪承载力(规范公式7.3.8)验算时公式右端的剪力值与( )项数值最为接近。
- A.149.2kN
- B.150.59kN
- C.181.88kN
- D.167.38kN
-
施工阶段托梁的弯矩及剪力设计值承载力为( )。
- A.54.27kN·m,39.7kN
- B.72.35kN·m,118.92kN
- C.65kN·m,45.6kN
- D.54.27kN·m,72.35kN
-
对砌体房屋中的钢筋混凝土构造柱的论述,以下( )项为正确。
- A.墙体开裂阶段的抗剪能力明显提高
- B.如果先浇构造柱,一定要严格按构造规定沿墙高每隔500mm设2Φ6结钢筋
- C.构造柱必须单独设置基础,不得直接埋入室外地坪下500mm或较浅的基础圈梁中
- D.各片承重墙体均设置连续到顶的构造柱,对墙体抗剪强度有提高作用
-
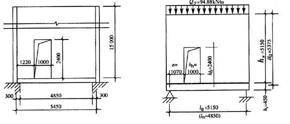
托梁按偏心受拉构件进行计算,若已知aM=0.250,ηN=2.032,假设墙梁的跨中计算高度H0=5.450m,由荷载Q2引起的跨中弯矩值M2=315kN·m,则轴心力至纵向钢筋合力点之间的距离e与( )项数值最为接近。
- A.670mm
- B.490mm
- C.550mm
- D.450mm
-
若已知墙梁计算跨度l0=5150mm,则规范公式7.3.6-1中,公式右端的值与 ( )项数值最为接近。
- A.72.35kN·m
- B.66.5kN·m
- C.68.92kN·m
- D.78.95kN·m
-
已知柱间基础上墙体高15m,双面抹灰、墙厚240mm,采用MU10烧结普通砖,M5混合砂浆砌筑,墙上门洞尺寸如题图所示,柱间6m,基础梁长5.45m,基础梁断面尺寸为b×hb=240mm×450mm,伸入支座0.3m;混凝土为C30,纵筋为HRB335,箍筋为HPB235。

墙梁跨中截面的计算高度H0与( )项数值最为接近。
- A.5375mm
- B.5150mm
- C.5335mm
- D.5450mm
-
在梁端设置与梁端现浇成整体的垫块,其尺寸为ab=240mm,bb=620mm,tb= 300mm。已知a0=81.13mm,试问垫块下砌体的局部受压承载力与( )项数值接近。
- A.83.58kN
- B.96.8kN
- C.119.39kN
- D.127.5kN
-
上题的其他条件不变,仅改用M7.5水泥砂浆砌筑,该窗间墙的承载力与( )项数值相近。
- A.95.68kN
- B.103.74kN
- C.107.7kN
- D.114.25kN
-
某窗间墙尺寸为1200mm×370mm,如下图所示,采用MU10砖和M2.5的混合砂浆砌筑。已知大梁截面尺寸为b×h=200mm×550mm,跨度5m,支承长度a=240mm,梁端荷载设计值产生的支承压力N1=240kN,梁底墙体截面处的上部设计荷载为N0=50kN。

假定a0=142.88mm,梁端支承处砌体的局部受压承载力与( )项数值最为接近。
- A.78.87kN
- B.63.21kN
- C.59.87kN
- D.52.8kN
-
假定该窗间墙的高厚比β=20,试确定其承载力与( )项数值相近。
- A.126.71kN
- B.122.04kN
- C.122.56kN
- D.137.38kN
-
截面尺寸为1170mm×l90mm的窗间墙,采用MU7.5单排孔混凝土小型空心砌块和M7.5混合砂浆砌筑,不错孔,不灌实。墙的计算高度3.8m,承受轴向力设计值 105kN,荷载标准值产生的偏心距为38mm。
该窗间墙高厚比β与( )项数值相近。
- A.18
- B.20
- C.22
- D.24
-
有重级工作制吊车的厂房选择屋架下弦交叉支撑,屋架间距6m,支撑节间6m,支撑杆件截面是( )。
- A.

- B.

- C.

- D.

- A.
-
有侧移的单层钢框架,采用等截面柱,柱与基础固接,与横梁铰接,框架平面内柱的计算长度系数μ是( )。
- A.2
- B.1.5
- C.1
- D.0.5
-
计算格构式压杆绕虚轴x挠曲时的整体稳定性,其稳定系数应根据( )查表确定。
- A.λx
- B.λox
- C.λy
- D.λoy
-
工字形截面受压构件腹板高度与厚度之比不能满足按全腹板进行计算的要求时,( )。
- A.可在计算时将腹板截面仅考虑计算高度两边缘
的范围 - B.必须加厚腹板
- C.必须设置纵向加劲肋
- D.必须设置横向加劲肋
- A.可在计算时将腹板截面仅考虑计算高度两边缘
-
60m跨度托架的上弦节点如下图所示,托架各杆件与节点板之间采用等强的对接焊缝进行连接,焊缝质量等级为二级。斜腹杆腹板的拼接板件为-358×10,拼接板件与节点板之间采用坡口焊透的T形焊缝,试问,T形焊缝的长度l1(mm)与下列( )项数值最为接近。

- A.310mm
- B.330m
- C.560mm
- D.620mm
-
60m跨度托架腹杆V2的轴心压力设计值N=1855kN,拟采用热轧H型钢H390× 300×10×16,ix=169mm,iy=72.6mm,A=13670mm2。当按轴心受压构件进行稳定性计算时,杆件的最大压应力(N/mm2)与下列( )项数值最为接近。
- A.162
- B.194
- C.253
- D.303
-
60m跨度托架端斜杆1的轴心拉力设计值(kN)与下列( )项数值最为接近。
- A.2736
- B.2757
- C.3339
- D.3365
-
60m跨度托架下弦杆最大轴心拉力设计值(kN)与下列( )项数值最为接近。
- A.11969
- B.8469
- C.8270
- D.8094
-
60m跨度托架上弦杆最大轴心压力设计值N=8550kN,拟采用热轧H型钢H428×407×20×35,ix=182mm,iy=104mm,A=36140mm2。当按轴心受压构件进行稳定性计算时,杆件最大压应力(N/mm2)与下列( )项数值最为接近。 提示:只给出杆件最大轴心压力值,可不考虑轴心压力的变化对杆件计算长度的影响。
- A.307.2
- B.276.2
- C.248.6
- D.230.2
-
20m跨度托架上弦杆的轴心压力设计值N=1217kN,采用轧制T型钢,T200×408×21×21,ix=53.9mm,iy=97.3mm,A=12570mm2。当按轴心受压构件进行稳定性计算时,杆件最大压应力(N/mm2)与下列( )项数值最为接近。 提示:① 只给出上弦杆最大的轴心压力设计值,可不考虑轴心压力变化对杆件计算长度的影响。 ② 为简化计算取绕对称轴的λy,代替λyz。
- A.189.6
- B.144.9
- C.161.4
- D.180.6
-
20m跨度的托架下弦节点如下图所示,托架各杆件与节点板之间采用等强的对接焊缝进行连接,焊缝质量等级为二级。斜腹杆翼缘板拼接板为2-100×12,拼接板与节点板之间采用角焊缝连接,取hf=6mm,按等强连接的原则,试问,该角焊缝的长度l1(mm)与下列( )项数值最为接近。

- A.360
- B.310
- C.260
- D.210
-
屋面梁的弯矩设计值M=2450kN·m,采用双轴对称的焊接工字形截面,翼缘板为 -350×16,腹板为-1500×12,Wx=12810×103mm3,截面上无孔。当按抗弯强度进行计算时,试问,梁上翼缘上最大压应力(N/mm2)与下列( )项数值最为接近。
- A.182.1
- B.191.3
- C.200.2
- D.205
-
试问,20m跨度托架的支座反力设计值(kN)与下列( )项数值最为接近。
- A.730
- B.350
- C.380
- D.372.5
-
某宽厚板车间冷床区为三跨等高厂房,跨度均为35m;边列柱柱间距为10m,中列柱柱间距为20m,局部60m:采用三跨连续式焊接工字形屋面梁,其间距为10m,屋面梁与钢柱为固接。厂房屋面采用彩色压型钢板,屋面坡度为1/20;檩条采用多跨连续式H型钢檩条,其间距为5m;檩条与屋面梁搭接。屋面梁、檩条及屋面上弦水平支撑的局部布置示意如下图中的(a)图所示,且系杆仅与檩条相连。
中列柱柱顶设置有20m和60m跨度的托架,托架与钢柱采用铰接连接,托架的简图和荷载设计值如下图中的(b)和(c)图所示。屋面梁支承在托架竖杆的侧面,且屋面梁的顶面略高子托架顶面约150mm。
檩条、屋面梁、20m跨度托架采用Q235B钢,60m跨度托架采用Q345B钢。手工焊接时,分别采用E43型焊条和E50型焊条,要求焊缝质量等级为二级。
20m跨度托架杆件采用轧制T型钢,T型钢的翼缘板与托架平面相垂直。60m跨度托架杆件采用轧制H型钢,H型钢的腹板与托架平面相垂直。

屋面均布荷载设计值(包括檩条自重)q=1.5kN/m2。试问,多跨(≥五跨)连续檩条支座最大弯矩设计值(kN·m)与下列( )项数值最为接近。 提示:可按M=0.105ql2计算。
- A.93.8
- B.78.8
- C.62.5
- D.46.9
-
预应力钢筋的预应力损失,包括锚具变形损失(σ11),摩擦损失(σ12),温差损失(σ13),钢筋松弛损失(σ14),混凝土收缩、徐变损失(σ15),局部挤压损失(σ16)。设计计算时,预应力损失的组合,在混凝土预压前为第一批,预压后为第二批。对于先张法构件预应力损失的组合是 ( )。
- A.第一批σ11+σ12+σ14;第二批σ15+σ16
- B.第一批σ11+σ12+σ13;第二批σ16
- C.第一批σ11+σ12+σ13+σ14;第二批σ15
- D.第一批σ11+σ12;第二批σ14+σ15
-
梁中配置受压纵筋后( )。
- A.既能提高正截面受弯承载力,又可减少构件混凝土徐变
- B.加大构件混凝土徐变
- C.不影响构件混凝土徐变
- D.只能提高正截面受弯承载力
-
若按有效受拉混凝土截面面积计算的纵向受拉钢筋配筋率ρte=1.508%,按荷载效应的标准组合计算的纵向受拉钢筋的等效应力σsk=157N/mm2,裂缝间纵向受拉钢筋应变不均匀系数Ψ=0.551,受拉钢筋同上题,则梁表面处的最大裂缝宽度ws,max与下列 ( )项数值最为接近。
- A.0.154mm
- B.0.140mm
- C.0.125mm
- D.0.177mm
-
若已知梁的短期效应刚度Bs=29732.14kN·m2,按荷载效应的标准组合计算的跨中弯矩值Mk=90kN·m,按荷载效应的标准永久组合计算的跨中弯矩值Mq=50kN·m,梁受压区配有2Φ18的钢筋,则跨中挠度与下列( )项数值最为接近。
- A.10.2mm
- B.14.3mm
- C.16.3mm
- D.11.9mm
-
已知按荷载效应的标准组合计算的跨中弯矩值Mk=90kN·m,受拉区纵向钢筋为 3Φ20(带肋钢筋),等效直径deq=20mm,按荷载效应的标准组合计算的纵向受拉钢筋的等效应力σsk=210N/mm2,则最大裂缝宽度wmax与下列( )项数值最为接近。
- A.0.201mm
- B.0.197mm
- C.0.233mm
- D.0.256mm
-
若已知裂缝间纵向受拉钢筋应变不均匀系数Ψ=0.825,则该梁的短期效应刚度与下列( )项数值最为接近。
- A.27610kN·m2
- B.27102kN·m2
- C.28610kN·m2
- D.29610kN·m2
-
钢筋混凝土简支矩形截面梁尺寸为250mm×500mm,混凝土强度等级为C30,梁受拉区配置3Φ20的钢筋(942mm2),混凝土保护层c=25mm,承受均布荷载,梁的计算跨度 I0=6m。
若已知按荷载效应的标准组合计算的跨中弯矩值Mk=100kN·m,则裂缝间纵向受拉钢筋应变不均匀系数Ψ与下列( )项数值最为接近。
- A.0.77
- B.0.635
- C.0.58
- D.0.66
-
设轴向力的偏心距e0=1000mm,截面为大偏心受压,每侧布置4Φ25的钢筋,则截面能承受的轴向力设计值N与下列( )项数值最为接近。
- A.N=305kN
- B.N=516kN
- C.N=602kN
- D.N=743kN
-
若已知截面为非对称配筋,受压区配有3Φ20的钢筋,构件承受轴力设计值N=800kN,弯矩设计值M=265kN·m,则截面受拉侧的配筋面积与下列( )项数值最为接近。
- A.700mm2
- B.652mm2
- C.892mm2
- D.942mm2
-
已知一钢筋混凝土偏心受压柱截面尺寸b×h=500mm×700mm,柱子的计算长度I0=12m,混凝土强度等级为C35,纵向钢筋HRB4OO,纵向受拉钢筋合力点至截面近边的距离as=40mm。
设轴向力的偏心距e0=625mm,承受轴力设计值N=400kN,轴向压力作用点至纵向受拉钢筋的合力点的距离e与下列( )项数值最为接近。
- A.987mm
- B.1094mm
- C.824mm
- D.1130mm
-
某钢筋混凝土框架梁截面尺寸b×h=300mm×500mm,混凝土强度等级为C25,纵向钢筋采用HRB335,箍筋采用HPB235,as=35mm。
若梁的纵向受拉钢筋为4Φ22,纵向受压钢筋为2Φ20,箍筋为Φ8@200双肢箍,梁承受一般均布荷载,则考虑地震组合后该梁能承受的最大弯矩M与剪力V最接近下列( )项数值。
- A.M=260kN·m,V=148kN
- B.M=342kN·m,V=160kN
- C.M=297kN·m,V=195kN
- D.M=260kN·m,V=160kN
-
若该梁为三级框架梁,考虑地震组合及调整后在支座截面处引起的剪力设计值V=101kN(集中荷载引起的占75%以上,集中荷载作用点至支座的距离a=2000mm),箍筋间距s=200mm,则该截面的最小配箍面积为( )。
- A.81mm2
- B.94mm2
- C.57mm2
- D.112mm2
-
上弦杆件截面为200mm×200mm,配置4根Φ14的钢筋,试问该屋架上弦杆的承载能力N(设计值,kN)与下列( )项值相接近。
- A.N=337.5
- B.N=477.62
- C.N=250.27
- D.N=591.35
-
在恒荷载和活荷载的作用下,上弦杆件S1的内力设计值(kN)与下列( )项数值相接近。
- A.153.02
- B.124.16
- C.148.99
- D.127.51
-
有一钢筋混凝土非预应力屋架,如下图所示:
已知:屋架混凝土强度等级为C30。节点集中荷载P=P1+P2
恒荷载P1=12kN(标准值且包括构件自重)
活荷载P2=6kN(标准值且活荷载大于4kN/m2)
提示:1.计算屋架杆件内力时不考虑节点次应力的影响;
2.上弦杆的计算长度可取节间长度的两倍。

在活荷载作用下的支座反力为RAh (设计值,kN)应该和下列( )项数值相接近。
- A.RAh=23.4
- B.RAh=25.2
- C.RAh=21
- D.RAh=19.5



























的范围


